- Country
- United States of America (USA)
- Manufacturer / Brand
- National Company; Cambridge & Malden (MA)
- Year
- 1951 ?
- Category
- Television Receiver (TV) or Monitor
- Radiomuseum.org ID
- 350035
-
- alternative name: National Toy Co.
- Brand: Thrillbox
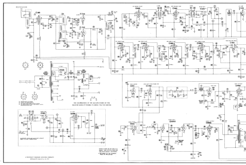
Click on the schematic thumbnail to request the schematic as a free document.
- Number of Tubes
- 24
- Valves / Tubes
- 6AG5 6J6 6AU6 6AU6 6AU6 6AU6 6AL5 6AC7 12AU7 6AU6 6AG5 6T8 or 6AL5 6AU6 6V6GT 6C4 6C4 6V6GT 6AL5 6SN7GT 6BG6G 6W4GT 1B3GT 5U4G 17BP4A
- Main principle
- Superhet with RF-stage
- Wave bands
- Wave Bands given in the notes.
- Power type and voltage
- Alternating Current supply (AC) / 60 Hz, 117V = 110 -120 Volt
- Loudspeaker
- Permanent Magnet Dynamic (PDyn) Loudspeaker (moving coil)
- Material
- Wooden case
- from Radiomuseum.org
- Model: TV-2030 - National Company; Cambridge &
- Shape
- Tablemodel, with any shape - general.
- Notes
-
National model TV-2030 is a 17” b/w TV with US standard VHF tuner channels 2 thru 13.
Equipped with VHF tuner SA-6461 and picture tube 17BP4A.
- Literature/Schematics (1)
- Photofact Folder, Howard W. SAMS (Set 145, folder 7, dated 9-51)
- Author
- Model page created by Dirk Taekels. See "Data change" for further contributors.
- Other Models
-
Here you find 446 models, 285 with images and 189 with schematics for wireless sets etc. In French: TSF for Télégraphie sans fil.
All listed radios etc. from National Company; Cambridge & Malden (MA)