Monaco 22331 Art. Nr. 821/26
Neckermann-Versand KG; Frankfurt a.M.
- Paese
- Germania
- Produttore / Marca
- Neckermann-Versand KG; Frankfurt a.M.
- Anno
- 1962 ?
- Categoria
- Radio (o sintonizzatore del dopoguerra WW2)
- Radiomuseum.org ID
- 91280
-
- Brand: Twen Tone
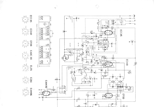
Clicca sulla miniatura dello schema per richiederlo come documento gratuito.
- Numero di tubi
- 7
- Principio generale
- Supereterodina (in generale); ZF/IF 472/10700 kHz; 2 Stadi BF
- N. di circuiti accordati
- 6 Circuiti Mod. Amp. (AM) 9 Circuiti Mod. Freq. (FM)
- Gamme d'onda
- Onde medie (OM), lunghe (OL), corte (OC) e MF (FM).
- Tensioni di funzionamento
- Alimentazione a corrente alternata (CA) / 110-240 Volt
- Altoparlante
- 3 altoparlanti
- Materiali
- Mobile in legno
- Radiomuseum.org
- Modello: Monaco 22331 Art. Nr. 821/26 - Neckermann-Versand KG;
- Forma
- Soprammobile basso, con andamento orizzontale (grosse dimensioni).
- Dimensioni (LxAxP)
- 530 x 325 x 225 mm / 20.9 x 12.8 x 8.9 inch
- Annotazioni
- KW-Lupe mit UKW-Abstimmung gekoppelt. Hersteller Körting.
- Letteratura / Schemi (1)
- -- Original-techn. papers.
- Autore
- Modello inviato da Bernhard Nagel. Utilizzare "Proponi modifica" per inviare ulteriori dati.
- Altri modelli
-
In questo link sono elencati 562 modelli, di cui 504 con immagini e 185 con schemi.
Elenco delle radio e altri apparecchi della Neckermann-Versand KG; Frankfurt a.M.