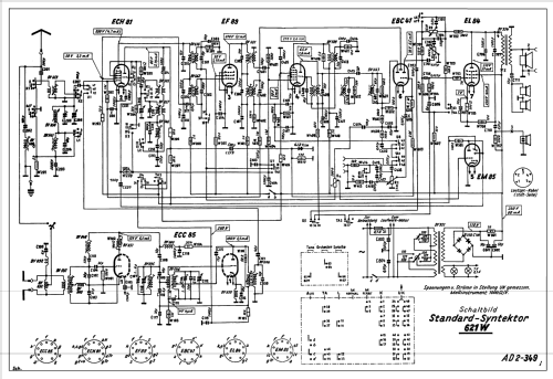
Standard Syntektor Chassis 621W Ch= AD2-349i
Körting-Radio; Leipzig, später Grassau
- Hersteller / Marke
- Körting-Radio; Leipzig, später Grassau
- Jahr
- 1954–1956
- Kategorie
- Rundfunkempfänger (Radio - oder Tuner nach WW2)
- Radiomuseum.org ID
- 25404
-
- anderer Name: Dietz & Ritter GmbH, Dr.
Klicken Sie auf den Schaltplanausschnitt, um diesen kostenlos als Dokument anzufordern.
- Anzahl Röhren
- 7
- Hauptprinzip
- Super mit HF-Vorstufe; ZF/IF 472kHz/10, kHz
- Anzahl Kreise
- 6 Kreis(e) AM 10 Kreis(e) FM
- Wellenbereiche
- Langwelle, Mittelwelle, Kurzwelle und UKW.
- Betriebsart / Volt
- Wechselstromspeisung / 110-240 Volt
- Lautsprecher
- 4 Lautsprecher
- Material
- Gerät mit Holzgehäuse
Die GFGF Zeitschrift Funkgeschichte bringt interessante Artikel zu Radios, Funkwesen und Medien. Bei Radiomuseum.org finden Sie die vollständigen Hefte früherer Ausgaben als PDF zum Download.
- von Radiomuseum.org
- Modell: Standard Syntektor Chassis 621W Ch= AD2-349i - Körting-Radio; Leipzig, später
- Form
- Tischgerät, Tasten oder Druckknöpfe.
- Bemerkung
- Synchrodetektor; 1 elektrostatischer LS und 3 Pdyn.
- Datenherkunft
- -- Original-techn. papers. / Radiokatalog Band 2, Ernst Erb
- Literatur/Schema (1)
- -- Original-techn. papers.
- Autor
- Modellseite von Hermann Freudenberg † 2006 angelegt. Siehe bei "Änderungsvorschlag" für weitere Mitarbeit.
- Weitere Modelle
-
Hier finden Sie 825 Modelle, davon 678 mit Bildern und 473 mit Schaltbildern.
Alle gelisteten Radios usw. von Körting-Radio; Leipzig, später Grassau