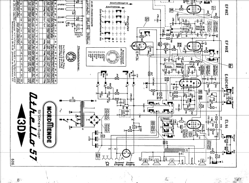
Othello 57/3D Ch= 606
Nordmende, Norddeutsche Mende-Rundfunk GmbH (Sterling), Bremen-Hemelingen
- Paese
- Germania
- Produttore / Marca
- Nordmende, Norddeutsche Mende-Rundfunk GmbH (Sterling), Bremen-Hemelingen
- Anno
- 1956/1957
- Categoria
- Radio (o sintonizzatore del dopoguerra WW2)
- Radiomuseum.org ID
- 20617
Clicca sulla miniatura dello schema per richiederlo come documento gratuito.
- Numero di tubi
- 7
- Numero di transistor
- Principio generale
- Supereterodina (in generale); ZF/IF 460/10700 kHz
- N. di circuiti accordati
- 10 Circuiti Mod. Amp. (AM) 13 Circuiti Mod. Freq. (FM)
- Gamme d'onda
- Onde medie (OM), lunghe (OL), corte (OC) e MF (FM).
- Tensioni di funzionamento
- Alimentazione a corrente alternata (CA) / 110, 125, 150, 220, 240 Volt
- Altoparlante
- 4 altoparlanti
- Potenza d'uscita
- 5.5 W (qualità ignota)
- Materiali
- Mobile in legno
- Radiomuseum.org
- Modello: Othello 57/3D Ch= 606 - Nordmende, Norddeutsche Mende-
- Forma
- Soprammobile con pulsantiera/tastiera.
- Dimensioni (LxAxP)
- 665 x 415 x 285 mm / 26.2 x 16.3 x 11.2 inch
- Annotazioni
- 
        Ferritantenne drehbar. Bandbreite schaltbar. Halbleiter laut Schaltplan: MF5100 = B250C100; MF5336 = OA81. 
- Peso netto
- 14 kg / 30 lb 13.4 oz (30.837 lb)
- Prezzo nel primo anno
- 428.00 DM
- Fonte esterna dei dati
- Erb
- Fonte dei dati
- HdB d.Rdf-& Ferns-GrH 1956/57
- Letteratura / Schemi (1)
- -- Original-techn. papers.
- Altri modelli
- 
        In questo link sono elencati 1763 modelli, di cui 1650 con immagini e 1280 con schemi. 
 Elenco delle radio e altri apparecchi della Nordmende, Norddeutsche Mende-Rundfunk GmbH (Sterling), Bremen-Hemelingen
Collezioni
Il modello Othello fa parte delle collezioni dei seguenti membri.
 
                
                
                
                
                
                
                
                
                
                
                
                
                
                
                
                
                
                
                
                
                
                
                
                
                
                
                
                
                
                
                
                
                
                
               