Suburbia 12 Transistor Long Distance TRN-8023 (1200)
OMGS, O.M.G.S.; New York
- Produttore / Marca
- OMGS, O.M.G.S.; New York
- Anno
- 1965 ??
- Categoria
- Radio (o sintonizzatore del dopoguerra WW2)
- Radiomuseum.org ID
- 245241
Clicca sulla miniatura dello schema per richiederlo come documento gratuito.
- Numero di transistor
- 12
- Principio generale
- Supereterodina (in generale)
- N. di circuiti accordati
- 5 Circuiti Mod. Amp. (AM)
- Gamme d'onda
- Solo onde medie (OM).
- Tensioni di funzionamento
- Batterie a secco / AA: 4 x 1.5 Volt
- Altoparlante
- AP magnetodinamico (magnete permanente e bobina mobile)
- Potenza d'uscita
- 0.35 W (max.)
- Materiali
- Plastica (non bachelite o catalina)
- Radiomuseum.org
- Modello: Suburbia 12 Transistor Long Distance TRN-8023 - OMGS, O.M.G.S.; New York
- Forma
- Tascabile (portatile molto piccola), < 20 cm
- Annotazioni
-
O.M.G.S. Solid State AM Pocket Radio Model Suburbia TRN-8023 (1200).
See also the model TR-8023/12 (1200).
Made in Japan
- Prezzo nel primo anno
- 17.00 USD
- Fonte dei dati
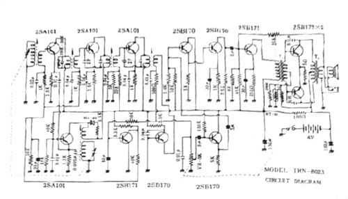
- -- Schematic
- Autore
- Modello inviato da Franz Scharner. Utilizzare "Proponi modifica" per inviare ulteriori dati.
- Altri modelli
-
In questo link sono elencati 37 modelli, di cui 33 con immagini e 5 con schemi.
Elenco delle radio e altri apparecchi della OMGS, O.M.G.S.; New York
Collezioni
Il modello Suburbia 12 Transistor Long Distance fa parte delle collezioni dei seguenti membri.
Discussioni nel forum su questo modello: OMGS, O.M.G.S.; New: Suburbia 12 Transistor Long Distance TRN-8023
Argomenti: 1 | Articoli: 3
Greetings all,
New member here. I have a Suburbia 12 Transistor Long Distance TRN-8023 (1200) radio, just like the one here:
O.M.G.S. Suburbia 12 Transisor
I am looking for a schematic. I've spent time searching, but have not found. However, one of the pictures on the page above does show a schematic laying next to the radio, but it is very hard to read. Does anyone have this?
Best regards,
Bruce Deerhake
Dayton, OH
USA
Bruce Deerhake, 29.Nov.21