2722 Ch= 2720
Packard Bell Co.; Los Angeles (CA)
- Country
- United States of America (USA)
- Manufacturer / Brand
- Packard Bell Co.; Los Angeles (CA)
- Year
- 1953 ?
- Category
- Television Receiver (TV) or Monitor
- Radiomuseum.org ID
- 363406
Click on the schematic thumbnail to request the schematic as a free document.
- Number of Tubes
- 27
- Valves / Tubes
- 6BQ7A or 6BQ7 or 6BZ7 6J6 6CB6 6CB6 6CB6 6CB6 6AL5 6CB6 6K6GT 6AU6 6AV6 6AU6 6CB6 6AL5 6AV6 6V6GT 12AU7 6J5 6S4 6AL5 6SN7GT 6J5 6AU5GT or 6AV5GT 6AX4GT 1B3GT 5U4G 21FP4A
- Main principle
- Superhet with RF-stage
- Wave bands
- Wave Bands given in the notes.
- Power type and voltage
- Alternating Current supply (AC) / 60 Hz, 117V = 110 -120 Volt
- Loudspeaker
- Permanent Magnet Dynamic (PDyn) Loudspeaker (moving coil) / Ø 6 inch = 15.2 cm
- Material
- Wooden case
- from Radiomuseum.org
- Model: 2722 Ch= 2720 - Packard Bell Co.; Los Angeles
- Shape
- Tablemodel, with any shape - general.
- Notes
-
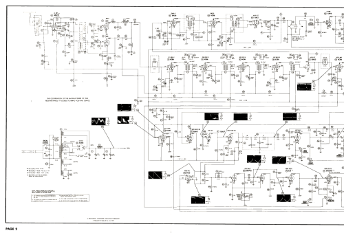
Packard Bell model 2722 is a 21” b/w TV with US standard VHF tuner channels 2 thru 13. Equipped with chassis 2720, VHF tuner 10532 and picture tube 21FP4A.
- Literature/Schematics (2)
- Photofact Folder, Howard W. SAMS (Set 207, folder6, dated 6-53)
- Author
- Model page created by Dirk Taekels. See "Data change" for further contributors.
- Other Models
-
Here you find 401 models, 200 with images and 354 with schematics for wireless sets etc. In French: TSF for Télégraphie sans fil.
All listed radios etc. from Packard Bell Co.; Los Angeles (CA)