- Pays
- Suisse
- Fabricant / Marque
- Paillard AG; St. Croix
- Année
- 1938/1939
- Catégorie
- Radio - ou tuner d'après la guerre 1939-45
- Radiomuseum.org ID
- 12766
Cliquez sur la vignette du schéma pour le demander en tant que document gratuit.
- No. de tubes
- 6
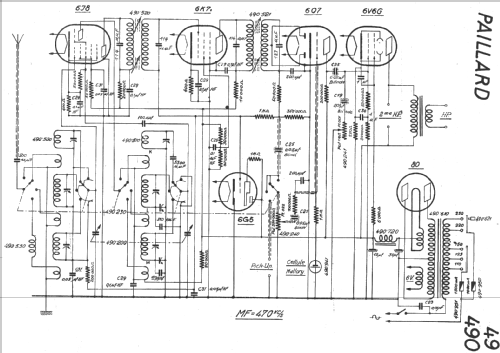
- Principe général
- Super hétérodyne (en général); FI/IF 470 kHz
- Gammes d'ondes
- PO, GO et OC
- Tension / type courant
- Alimentation Courant Alternatif (CA) / 110-250 Volt
- Haut-parleur
- HP dynamique à électro-aimant (électrodynamique) / Ø 20 cm = 7.9 inch
- Matière
- Boitier en bois
- De Radiomuseum.org
- Modèle: 49TR - Paillard AG; St. Croix
- Dimensions (LHP)
- 480 x 300 x 280 mm / 18.9 x 11.8 x 11 inch
- Remarques
- 4eckige Uhrskala
- Prix de mise sur le marché
- 325.00 SFr
- Source extérieure
- E. Erb 3-907007-36-0
- Source
- Radiokatalog Band 2, Ernst Erb
- Source du schéma
- Thali-Schemasammlung und Tungsram-Röhrenbestückung.
- D'autres Modèles
-
Vous pourrez trouver sous ce lien 552 modèles d'appareils, 270 avec des images et 303 avec des schémas.
Tous les appareils de Paillard AG; St. Croix
Collections
Le modèle fait partie des collections des membres suivants.