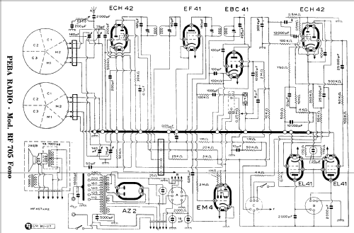
RF705 Fono
Peba Radio; Alessandria
- Land
- Italien / Italy
- Hersteller / Marke
- Peba Radio; Alessandria
- Jahr
- 1950 ??
- Kategorie
- Rundfunkempfänger (Radio - oder Tuner nach WW2)
- Radiomuseum.org ID
- 195210
Klicken Sie auf den Schaltplanausschnitt, um diesen kostenlos als Dokument anzufordern.
- Anzahl Röhren
- 8
- Hauptprinzip
- Superhet allgemein; ZF/IF 467 kHz
- Wellenbereiche
- Wellen in den Bemerkungen.
- Spezialitäten
- Plattenspieler (kein -Wechsler)
- Betriebsart / Volt
- Wechselstromspeisung / 110; 125; 140; 160; 220; 280 Volt
- Lautsprecher
- Dynamischer LS, Prinzip (Edyn oder Pdyn) nicht gegeben.
- von Radiomuseum.org
- Modell: RF705 Fono - Peba Radio; Alessandria
- Bemerkung
- Gamme d'onda: 2 medie e tre corte.
Wave bands: 2x BC, 3x SW.
- Literatur/Schema (1)
- Il Manuale del Radiomeccanico (Vol.3°)
- Autor
- Modellseite von Eduard Abfalterer angelegt. Siehe bei "Änderungsvorschlag" für weitere Mitarbeit.
- Weitere Modelle
-
Hier finden Sie 10 Modelle, davon 7 mit Bildern und 7 mit Schaltbildern.
Alle gelisteten Radios usw. von Peba Radio; Alessandria