50T-1403 (Code 125)
Philco, Philadelphia Stg. Batt. Co.; USA
- País
- Estados Unidos
- Fabricante / Marca
- Philco, Philadelphia Stg. Batt. Co.; USA
- Año
- 1950 ?
- Categoría
- Televisión (TV) o monitor
- Radiomuseum.org ID
- 120244
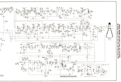
Haga clic en la miniatura esquemática para solicitarlo como documento gratuito.
- Numero de valvulas
- 21
- Válvulas
- 6BC5 7F8 6BC5 6BC5 6BC5 6BC5 12AU7 6V6GT 6BA6 6AU6 7X7 6AQ5 6SN7GT 6SN7GT 7N7 7N7 6BG6G 6W4GT 1B3GT 5U4G 12LP4
- Principio principal
- Superheterodino con paso previo de RF
- Gama de ondas
- Bandas de recepción puestas en notas.
- Tensión de funcionamiento
- Red: Corriente alterna (CA, Inglés = AC) / 60 Hz, 117V = 110 -120 Volt
- Altavoz
- Altavoz dinámico (de imán permanente)
- Material
- Madera
- de Radiomuseum.org
- Modelo: 50T-1403 - Philco, Philadelphia Stg. Batt
- Forma
- Sobremesa apaisado (tamaño grande).
- Ancho, altura, profundidad
- 19.5 x 18.5 x 18 inch / 495 x 470 x 457 mm
- Anotaciones
-
Philco model 50-T1403 (Code 125) is a 12” b/w TV with US standard VHF tuner channels 2 thru 13. Equipped with VHF- tuner 76-5433-1 or 76-5411-1 and picture tube 12LP4, curved top mahogany cabinet.
- Precio durante el primer año
- 200.00 $
- Procedencia de los datos
- -- Collector info (Sammler)
- Documentación / Esquemas (1)
- Photofact Folder, Howard W. SAMS (Set 115, Folder 8 dated 12-50)
- Autor
- Modelo creado por un miembro de A. Ver en "Modificar Ficha" los participantes posteriores.
- Otros modelos
-
Donde encontrará 4120 modelos, 2227 con imágenes y 3768 con esquemas.
Ir al listado general de Philco, Philadelphia Stg. Batt. Co.; USA