PT-38 Transitone
Philco, Philadelphia Stg. Batt. Co.; USA
- Country
- United States of America (USA)
- Manufacturer / Brand
- Philco, Philadelphia Stg. Batt. Co.; USA
- Year
- 1939/1940
- Category
- Broadcast Receiver - or past WW2 Tuner
- Radiomuseum.org ID
- 51499
Click on the schematic thumbnail to request the schematic as a free document.
- Number of Tubes
- 5
- Main principle
- Superheterodyne (common); ZF/IF 470 kHz; 2 AF stage(s)
- Wave bands
- Broadcast and Short Wave (SW).
- Power type and voltage
- AC/DC-set / 115 Volt
- Material
- Wooden case
- from Radiomuseum.org
- Model: PT-38 Transitone - Philco, Philadelphia Stg. Batt
- Shape
- Tablemodel, with any shape - general.
- External source of data
- Ernst Erb
- Source of data
- Collector's Guide to Antique Radios 4. Edition
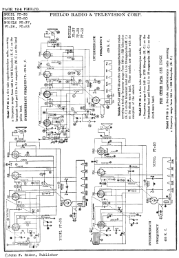
- Circuit diagram reference
- Rider's Perpetual, Volume 12 = ca. 1941 and before
- Mentioned in
- The Radio Collector's Directory and Price Guide 1921 - 1965 (Philco Radio 1928-1942, Ramirez)
- Literature/Schematics (1)
- Philco 1940 RMS Year Book
- Literature/Schematics (2)
- Machine Age to Jet Age II (page 223.)
- Other Models
-
Here you find 4126 models, 2231 with images and 3774 with schematics for wireless sets etc. In French: TSF for Télégraphie sans fil.
All listed radios etc. from Philco, Philadelphia Stg. Batt. Co.; USA