TH-18 Transitone
Philco, Philadelphia Stg. Batt. Co.; USA
- Country
- United States of America (USA)
- Manufacturer / Brand
- Philco, Philadelphia Stg. Batt. Co.; USA
- Year
- 1939/1940
- Category
- Broadcast Receiver - or past WW2 Tuner
- Radiomuseum.org ID
- 51583
Click on the schematic thumbnail to request the schematic as a free document.
- Number of Tubes
- 5
- Main principle
- Superheterodyne (common); ZF/IF 455 kHz; 2 AF stage(s)
- Wave bands
- Broadcast and Short Wave (SW).
- Power type and voltage
- AC/DC-set / 115 Volt
- Loudspeaker
- Electro Magnetic Dynamic LS (moving-coil with field excitation coil)
- Material
- Bakelite case
- from Radiomuseum.org
- Model: TH-18 Transitone - Philco, Philadelphia Stg. Batt
- Shape
- Tablemodel without push buttons, Mantel/Midget/Compact up to 14
- Notes
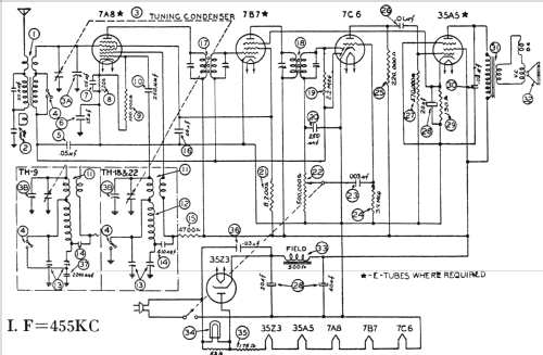
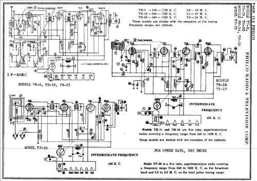
- Models TH-9, TH-18 and TH-22 are similar, with the exception of the tuning frequency ranges and cabinets.
- External source of data
- Ernst Erb
- Source of data
- The Radio Collector's Directory and Price Guide 1921 - 1965
- Circuit diagram reference
- Rider's Perpetual, Volume 12 = ca. 1941 and before
- Mentioned in
- Philco Radio 1928-1942
- Literature/Schematics (1)
- Philco 1940 RMS Yearbook
- Other Models
-
Here you find 4120 models, 2228 with images and 3768 with schematics for wireless sets etc. In French: TSF for Télégraphie sans fil.
All listed radios etc. from Philco, Philadelphia Stg. Batt. Co.; USA
Collections
The model TH-18 is part of the collections of the following members.