12TX1502 /00S /00X /02S /02X Ch= TX-12 II
Philips; Eindhoven (tubes international!); Miniwatt
- Country
- Netherlands
- Manufacturer / Brand
- Philips; Eindhoven (tubes international!); Miniwatt
- Year
- 1983 ?
- Category
- Television Receiver (TV) or Monitor
- Radiomuseum.org ID
- 212504
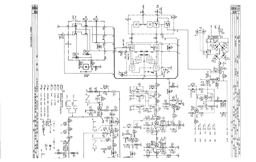
Click on the schematic thumbnail to request the schematic as a free document.
- Number of Tubes
- 1
- Valves / Tubes
- 12VCUP4
- Number of Transistors
- Semiconductors present.
- Semiconductors
- Main principle
- Superheterodyne (common)
- Wave bands
- VHF incl. FM and/or UHF (see notes for details)
- Power type and voltage
- Line / Batteries (any type) / 220 / 12 Volt
- Loudspeaker
- Permanent Magnet Dynamic (PDyn) Loudspeaker (moving coil) / Ø 3 inch = 7.6 cm
- Material
- Plastics (no bakelite or catalin)
- from Radiomuseum.org
- Model: 12TX1502 /00S /00X /02S /02X Ch= TX-12 II - Philips; Eindhoven tubes
- Shape
- Portable set > 8 inch (also usable without mains)
- Dimensions (WHD)
- 345 x 302 x 300 mm / 13.6 x 11.9 x 11.8 inch
- Notes
-
Philips 12TX1502/00S, /00X, /02S, /02X
31 cm B/W TV with CCIR B/G standard VHF/UHF electronic tuner with six presets, 12 VDC in, 27/15 W power consumption, IEC antenna in. 27 diodes, 2 ICs.
Different cases for /..X and /..S types. Different speaker setup for /02 types. Two possible tuners: ELC2004 (VHF Band III 174 - 230 MHz) or ELC2006 (112 - 290 MHz). Further differences unknown.
- Net weight (2.2 lb = 1 kg)
- 6.5 kg / 14 lb 5.1 oz (14.317 lb)
- Author
- Model page created by a member from A. See "Data change" for further contributors.
- Other Models
-
Here you find 5278 models, 4426 with images and 3461 with schematics for wireless sets etc. In French: TSF for Télégraphie sans fil.
All listed radios etc. from Philips; Eindhoven (tubes international!); Miniwatt