Philetta 208U-47
Philips; Eindhoven (tubes international!); Miniwatt
- Pays
- Pays-Bas
- Fabricant / Marque
- Philips; Eindhoven (tubes international!); Miniwatt
- Année
- 1944/1945
- Catégorie
- Radio - ou tuner d'après la guerre 1939-45
- Radiomuseum.org ID
- 26870
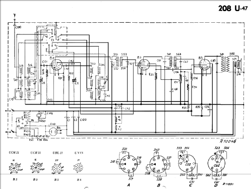
Cliquez sur la vignette du schéma pour le demander en tant que document gratuit.
- No. de tubes
- 4
- Principe général
- Super hétérodyne (en général); FI/IF 452 kHz
- Circuits accordés
- 6 Circuits MA (AM)
- Gammes d'ondes
- PO, GO et OC
- Tension / type courant
- Appareil tous courants (CA / CC) / 150/220 Volt
- Haut-parleur
- HP dynamique à électro-aimant (électrodynamique)
- Matière
- Boitier en bakélite
- De Radiomuseum.org
- Modèle: Philetta 208U-47 - Philips; Eindhoven tubes
- Forme
- Modèle de table sans poussoirs, modèle cheminée
- Dimensions (LHP)
- 280 x 160 x 130 mm / 11 x 6.3 x 5.1 inch
- Poids net
- 2.7 kg / 5 lb 15.2 oz (5.947 lb)
- Prix de mise sur le marché
- 135.00 Hfl
- Source
- -- Original-techn. papers.
- Auteur
- Modèle crée par Iven Müller. Voir les propositions de modification pour les contributeurs supplémentaires.
- D'autres Modèles
-
Vous pourrez trouver sous ce lien 5278 modèles d'appareils, 4426 avec des images et 3461 avec des schémas.
Tous les appareils de Philips; Eindhoven (tubes international!); Miniwatt
Collections
Le modèle Philetta fait partie des collections des membres suivants.