22AH862 /00 /15 /22
Philips - Österreich
- Land
- Österreich / Austria
- Hersteller / Marke
- Philips - Österreich
- Jahr
- 1977 ??
- Kategorie
- Rundfunkempfänger (Radio - oder Tuner nach WW2)
- Radiomuseum.org ID
- 354692
Klicken Sie auf den Schaltplanausschnitt, um diesen kostenlos als Dokument anzufordern.
- Anzahl Transistoren
- 29
- Halbleiter
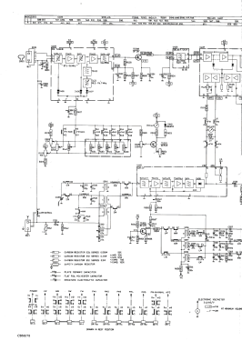
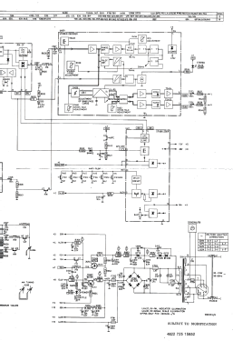
- BC559 BC549 BC558 BC548 BF495 BD135 BF241 BC547 BD137 BD138 BD203 BD204 BAW62 BY225-200 BY206
- Hauptprinzip
- Super mit HF-Vorstufe; ZF/IF 452/10700 kHz; kein Zusatz
- Wellenbereiche
- Langwelle, Mittelwelle, Kurzwelle und UKW.
- Spezialitäten
- Plattenspieler (kein -Wechsler)
- Betriebsart / Volt
- Wechselstromspeisung / 50 Hz, 110; 127; 220; 240 Volt
- Lautsprecher
- - Dieses Modell benötigt externe(n) Lautsprecher.
- Belastbarkeit / Leistung
- 40 W (66 W max./spitze)
- Material
- Diverses Material
- von Radiomuseum.org
- Modell: 22AH862 /00 /15 /22 - Philips - Österreich
- Form
- Tischgerät-gross, - Querformat (breiter als hoch oder quadratisch).
- Abmessungen (BHT)
- 665 x 105 x 410 mm / 26.2 x 4.1 x 16.1 inch
- Bemerkung
-
Philips model 22AH862 /00 /15 /22,
IF is 452, but also available for 460 or 470 kHz..
Transistors and diodes listed one per type only.
- Literatur/Schema (1)
- -- Original-techn. papers.
- Autor
- Modellseite von Vorarlberger Museumswelt Museum angelegt. Siehe bei "Änderungsvorschlag" für weitere Mitarbeit.
- Weitere Modelle
-
Hier finden Sie 1077 Modelle, davon 1011 mit Bildern und 854 mit Schaltbildern.
Alle gelisteten Radios usw. von Philips - Österreich