- Land
- Argentinien
- Hersteller / Marke
- Philips Argentina, FAPESA, Miniwatt tubes; Buenos Aires
- Jahr
- 1967 ?
- Kategorie
- Fernseh-Empfänger/Monitor
- Radiomuseum.org ID
- 317654
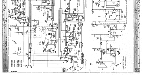
Klicken Sie auf den Schaltplanausschnitt, um diesen kostenlos als Dokument anzufordern.
- Anzahl Röhren
- 20
- Röhren
- PCF80 PCF80 PCL82 PCL85 PC900 PCF801 EF183 EF184 EF184 PCL84 ECH84 ECH83 PCF80 PL36 PY88 DY802 PCF80 PF86 PCL85 A59-11W
- Hauptprinzip
- Superhet allgemein; ZF/IF 45750 kHz; 2 NF-Stufe(n)
- Wellenbereiche
- VHF/UHF (siehe Bemerkungen)
- Betriebsart / Volt
- Wechselstromspeisung / 220 Volt
- Lautsprecher
- Dynamischer LS, keine Erregerspule (permanentdynamisch) / Ø 5 inch = 12.7 cm
- Belastbarkeit / Leistung
- 4 W (Qualität unbekannt)
- Material
- Gerät mit Holzgehäuse
- von Radiomuseum.org
- Modell: AL23T503 /73 - Philips Argentina, FAPESA,
- Form
- Tischgerät-gross, - Querformat (breiter als hoch oder quadratisch).
- Abmessungen (BHT)
- 605 x 505 x 605 mm / 23.8 x 19.9 x 23.8 inch
- Bemerkung
-
Philips Argentina - FAPESA AL23T503 /73
TV B/N Canales VHF 2 a 13 - CRT 23" 110 grados
Similar a:
- Philips Argentina: AL19T508 /00; AL23T500 /73; AL23T501 /73
- Franklin (RA): FR48T705 /00; FR58T005 /73; FR58T605 /00
- Literatur/Schema (1)
- -- Original-techn. papers. (Manual de circuitos de Televisión-Philips Service Argentina)
- Autor
- Modellseite von Rodolfo Gaston Wenceslao Nasasta angelegt. Siehe bei "Änderungsvorschlag" für weitere Mitarbeit.
- Weitere Modelle
-
Hier finden Sie 278 Modelle, davon 173 mit Bildern und 199 mit Schaltbildern.
Alle gelisteten Radios usw. von Philips Argentina, FAPESA, Miniwatt tubes; Buenos Aires
Sammlungen
Das Modell befindet sich in den Sammlungen folgender Mitglieder.