275
Philips Canada
- Paese
- Canada
- Produttore / Marca
- Philips Canada
- Anno
- 1958 ?
- Categoria
- Radio (o sintonizzatore del dopoguerra WW2)
- Radiomuseum.org ID
- 338003
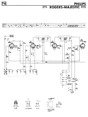
Clicca sulla miniatura dello schema per richiederlo come documento gratuito.
- Numero di tubi
- 9
- Principio generale
- Supereterodina con stadio RF; ZF/IF 455 kHz; 3 Stadi BF
- N. di circuiti accordati
- 7 Circuiti Mod. Amp. (AM)
- Gamme d'onda
- Solo onde medie (OM).
- Particolarità
- Cambiadischi
- Tensioni di funzionamento
- Alimentazione a corrente alternata (CA) / 117 Volt
- Altoparlante
- 3 altoparlanti
- Materiali
- Mobile in legno
- Radiomuseum.org
- Modello: 275 - Philips Canada
- Forma
- Console, con gambe d'appoggio basse (< 50%).
- Annotazioni
-
The Philips model 275 is a 9-tube console radio with built in record changer. Same schematic as the Rogers-Majestic model 675. For 25 or 60 Hz depending on nameplate rating.
- Letteratura / Schemi (1)
- Radio College of Canada (RCC) (1958 supplement 43)
- Autore
- Modello inviato da Tom Seeger. Utilizzare "Proponi modifica" per inviare ulteriori dati.
- Altri modelli
-
In questo link sono elencati 165 modelli, di cui 93 con immagini e 139 con schemi.
Elenco delle radio e altri apparecchi della Philips Canada