447A
Philips - Schweiz
- Country
- Switzerland
- Manufacturer / Brand
- Philips - Schweiz
- Year
- 1943–1945
- Category
- Broadcast Receiver - or past WW2 Tuner
- Radiomuseum.org ID
- 13346
Click on the schematic thumbnail to request the schematic as a free document.
- Number of Tubes
- 6
- Main principle
- Superheterodyne (common); ZF/IF 473 kHz
- Wave bands
- Broadcast, Long Wave and Short Wave.
- Power type and voltage
- Alternating Current supply (AC) / 110-240 Volt
- Loudspeaker
- Permanent Magnet Dynamic (PDyn) Loudspeaker (moving coil)
- Material
- Wooden case
- from Radiomuseum.org
- Model: 447A - Philips - Schweiz
- Shape
- Tablemodel, low profile (big size).
- Dimensions (WHD)
- 540 x 335 x 235 mm / 21.3 x 13.2 x 9.3 inch
- Price in first year of sale
- 495.00 SFr
- External source of data
- E. Erb 3-907007-36-0
- Source of data
- Radiokatalog Band 2, Ernst Erb
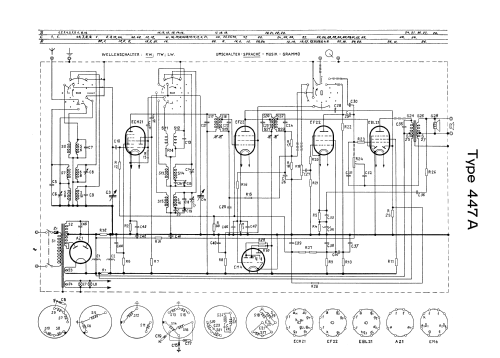
- Circuit diagram reference
- Thali-Schemasammlung und Tungsram-Röhrenbestückung.
- Literature/Schematics (1)
- -- Original-techn. papers.
- Picture reference
- Das Modell ist im «Radiokatalog» (Erb) abgebildet.
- Other Models
-
Here you find 290 models, 216 with images and 224 with schematics for wireless sets etc. In French: TSF for Télégraphie sans fil.
All listed radios etc. from Philips - Schweiz
Collections
The model is part of the collections of the following members.