AM/FM Stereo Tuner F2131
Philips Belgium (Belgien)
- Country
- Belgium
- Manufacturer / Brand
- Philips Belgium (Belgien)
- Year
- 1985 ??
- Category
- Broadcast Receiver - or past WW2 Tuner
- Radiomuseum.org ID
- 183602
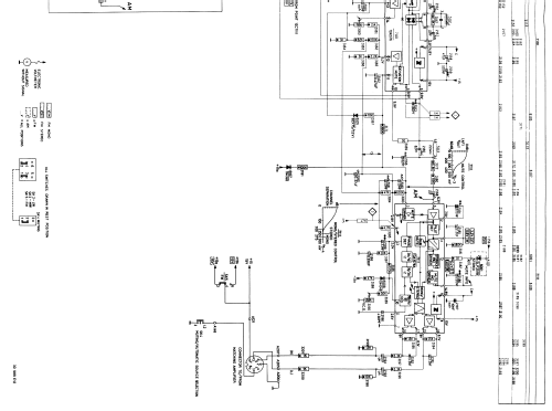
Click on the schematic thumbnail to request the schematic as a free document.
- Number of Transistors
- 8
- Semiconductors
- 2SK193 BF241 BF494 BF494 BF494 BF245 BC548 BF245 TDA1072 TDA1576 TDA1578 1N4148 BZX75 BZX79 BA220 AA119
- Main principle
- Superheterodyne (common)
- Wave bands
- Broadcast, Long Wave and FM or UHF.
- Power type and voltage
- Powered by external power supply or a main unit. / 15 Volt
- Loudspeaker
- - For headphones or amp.
- Material
- Plastics (no bakelite or catalin)
- from Radiomuseum.org
- Model: AM/FM Stereo Tuner F2131 - Philips Belgium Belgien
- Shape
- Tablemodel, low profile (big size).
- Dimensions (WHD)
- 420 x 240 x 55 mm / 16.5 x 9.4 x 2.2 inch
- Notes
-
Philips F2131 est un AM/FM stéréo tuner alimenté en tension continue 15 volt par le câble de sortie audio.
- Literature/Schematics (1)
- -- Original-techn. papers.
- Author
- Model page created by Jacky Parmentier. See "Data change" for further contributors.
- Other Models
-
Here you find 601 models, 577 with images and 347 with schematics for wireless sets etc. In French: TSF for Télégraphie sans fil.
All listed radios etc. from Philips Belgium (Belgien)
Collections
The model AM/FM Stereo Tuner is part of the collections of the following members.