Brilliant SF23T632
Philips Finland - see also Fenno and TeRate
- País
- Finland
- Fabricante / Marca
- Philips Finland - see also Fenno and TeRate
- Año
- 1966/1967
- Categoría
- Televisión (TV) o monitor
- Radiomuseum.org ID
- 222911
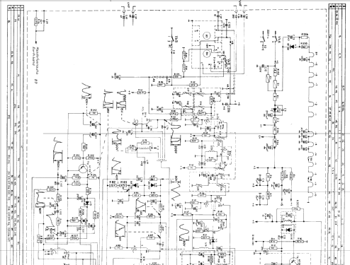
Haga clic en la miniatura esquemática para solicitarlo como documento gratuito.
- Numero de valvulas
- 14
- Numero de transistores
- 3
- Semiconductores
- Principio principal
- Superheterodino en general
- Gama de ondas
- VHF/UHF (see notes for details)
- Tensión de funcionamiento
- Red: Corriente alterna (CA, Inglés = AC) / 220 Volt
- Altavoz
- Altavoz dinámico (de imán permanente)
- Material
- Madera
- de Radiomuseum.org
- Modelo: Brilliant SF23T632 - Philips Finland - see also
- Forma
- Sobremesa de cualquier forma, detalles no conocidos.
- Anotaciones
- 23 inch B/W television, UHF optional.
- Precio durante el primer año
- 995.00 FIM
- Procedencia de los datos
- -- Schematic
- Autor
- Modelo creado por Jouko Laukkanen. Ver en "Modificar Ficha" los participantes posteriores.
- Otros modelos
-
Donde encontrará 163 modelos, 155 con imágenes y 45 con esquemas.
Ir al listado general de Philips Finland - see also Fenno and TeRate