- Pays
- Pays-Bas
- Fabricant / Marque
- Philips; Eindhoven (tubes international!); Miniwatt
- Année
- 1949/1950
- Catégorie
- Radio - ou tuner d'après la guerre 1939-45
- Radiomuseum.org ID
- 29806
Cliquez sur la vignette du schéma pour le demander en tant que document gratuit.
- No. de tubes
- 5
- Principe général
- Super hétérodyne (en général); FI/IF 452 kHz
- Gammes d'ondes
- PO et GO
- Tension / type courant
- Appareil tous courants (CA / CC) / 110, 127 Volt
- Haut-parleur
- HP dynamique à aimant permanent + bobine mobile
- De Radiomuseum.org
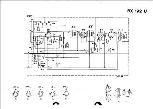
- Modèle: BX192U - Philips; Eindhoven tubes
- Prix de mise sur le marché
- 115.00 Hfl
- Auteur
- Modèle crée par Iven Müller. Voir les propositions de modification pour les contributeurs supplémentaires.
- D'autres Modèles
-
Vous pourrez trouver sous ce lien 5278 modèles d'appareils, 4426 avec des images et 3461 avec des schémas.
Tous les appareils de Philips; Eindhoven (tubes international!); Miniwatt