Cassetta Mark 864 special 22AC864
Philips - Österreich
- Country
- Austria
- Manufacturer / Brand
- Philips - Österreich
- Year
- 1977/1978
- Category
- Car Radio, perhaps also + sound player/recorder
- Radiomuseum.org ID
- 282193
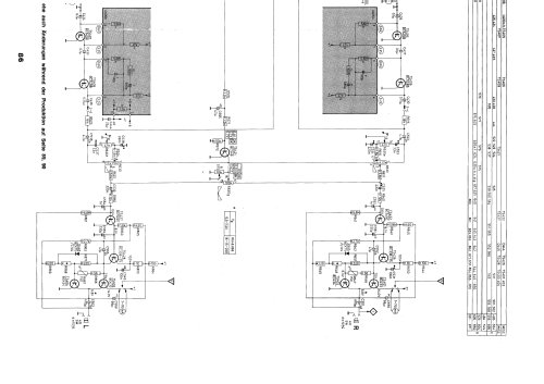
Click on the schematic thumbnail to request the schematic as a free document.
- Number of Transistors
- 41
- Semiconductors
- BF324 BF495 BF240 BF494 BF241 BF241 BF241 BF495 BF494 BF495 BF495 BF495 BC548 BC548 BC548 BC548 BC548 BC548 BC548 BC558 BC549 BC549 BC548 BC558 BC548 BC548 BC548 BC548 BC548 BC549 BC338 BD433 BD434 BC548 BC549 BC548 BC549 BC338 BD433 BD434 BC548 TDA1001 TDA1005 TDA1006
- Main principle
- Superheterodyne (common); ZF/IF 460/10700 kHz
- Wave bands
- Broadcast, Long Wave and FM or UHF.
- Details
- Cassette-Recorder or -Player
- Power type and voltage
- Storage Battery for all (e.g. for car radios and amateur radios) / 12 Volt
- Loudspeaker
- - This model requires external speaker(s).
- Material
- Metal case
- from Radiomuseum.org
- Model: Cassetta Mark 864 special 22AC864 - Philips - Österreich
- Shape
- Chassis only or for «building in»
- Dimensions (WHD)
- 180 x 43 x 135 mm / 7.1 x 1.7 x 5.3 inch
- Literature/Schematics (1)
- -- Original-techn. papers.
- Author
- Model page created by Wolfgang Bauer. See "Data change" for further contributors.
- Other Models
-
Here you find 1077 models, 1011 with images and 854 with schematics for wireless sets etc. In French: TSF for Télégraphie sans fil.
All listed radios etc. from Philips - Österreich