DC Power Supply PE1542 /60
Philips Belgium (Belgien)
- Country
- Belgium
- Manufacturer / Brand
- Philips Belgium (Belgien)
- Year
- 1985 ??
- Category
- Power supply/conditioner or battery or charger
- Radiomuseum.org ID
- 331996
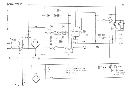
Click on the schematic thumbnail to request the schematic as a free document.
- Number of Transistors
- 13
- Semiconductors
- BCY59 BCY59 BCY59 BCY59 BD138 BD138 BD138 2N3055 2N3055 2N3055 2N3055 2N3055 2N3055 µA723 µA723 BYW54 BYW54 BYW54 BYW54 BY260 BY260 BY260 BZX79 BZX79 BZX79 BZX79 BZX79 BY229 BY229 BY261 BAW62 BAW62 BY229
- Wave bands
- - without
- Details
- Power Supply (not only Batt.El.)
- Power type and voltage
- Alternating Current supply (AC) / 110; 127; 220; 240 Volt
- Loudspeaker
- - - No sound reproduction output.
- Material
- Metal case
- from Radiomuseum.org
- Model: DC Power Supply PE1542 /60 - Philips Belgium Belgien
- Shape
- Tablemodel, with any shape - general.
- Dimensions (WHD)
- 360 x 150 x 210 mm / 14.2 x 5.9 x 8.3 inch
- Notes
-
Three outputs:
- 5 V, 0 - 3 A
- 0 - 32 V, 0 - 1.4 A
- 0 - 32 V, 0 - 1.4 A
- Mentioned in
- -- Original-techn. papers.
- Author
- Model page created by Toni Gutiérrez García. See "Data change" for further contributors.
- Other Models
-
Here you find 601 models, 577 with images and 347 with schematics for wireless sets etc. In French: TSF for Télégraphie sans fil.
All listed radios etc. from Philips Belgium (Belgien)