EL3510 /00 /27 /60
Philips; Eindhoven (tubes international!); Miniwatt
- País
- Holanda
- Fabricante / Marca
- Philips; Eindhoven (tubes international!); Miniwatt
- Año
- 1954–1957
- Categoría
- Registrador o reproductor de sonido o visual
- Radiomuseum.org ID
- 103466
Haga clic en la miniatura esquemática para solicitarlo como documento gratuito.
- Numero de valvulas
- 4
- Principio principal
- Amplificador de Audio
- Gama de ondas
- - no hay
- Especialidades
- Grabadora de cinta
- Tensión de funcionamiento
- Red: Corriente alterna (CA, Inglés = AC) / 110; 125; 145; 200; 220; 245 Volt
- Altavoz
- Altavoz dinámico (de imán permanente) / Ø 10.5 cm = 4.1 inch
- Material
- Cuero/Tela/ Plástico sobre otros materiales
- de Radiomuseum.org
- Modelo: EL3510 /00 /27 /60 - Philips; Eindhoven tubes
- Forma
- Sobremesa de cualquier forma, detalles no conocidos.
- Ancho, altura, profundidad
- 350 x 190 x 245 mm / 13.8 x 7.5 x 9.6 inch
- Anotaciones
-
Versions:
- EL3510 /00: AC 110 - 240 V, 50 Hz
- EL3510 /27: AC 110 - 240 V, 50 Hz
- EL3510 /60: AC 110 - 240 V, 60 Hz.
- Peso neto
- 9.5 kg / 20 lb 14.8 oz (20.925 lb)
- Mencionado en
- -- Original prospect or advert (Dépliant Série Super-Magnétique 1955)
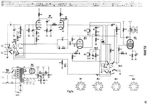
- Documentación / Esquemas (1)
- -- Original-techn. papers. (Service Manual 1957)
- Autor
- Modelo creado por Rino Ferro † 2008. Ver en "Modificar Ficha" los participantes posteriores.
- Otros modelos
-
Donde encontrará 5279 modelos, 4427 con imágenes y 3461 con esquemas.
Ir al listado general de Philips; Eindhoven (tubes international!); Miniwatt