EL3511/82
Philips - Österreich
- Pays
- Autriche
- Fabricant / Marque
- Philips - Österreich
- Année
- 1956
- Catégorie
- Enrégistreur et/ou reproducteur son/video
- Radiomuseum.org ID
- 77903
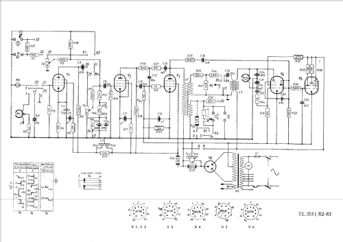
Cliquez sur la vignette du schéma pour le demander en tant que document gratuit.
- No. de tubes
- 6
- Principe général
- Amplification audio
- Gammes d'ondes
- - sans
- Particularités
- Magnétophone à bandes
- Tension / type courant
- Alimentation Courant Alternatif (CA) / 110, 125, 145, 200, 220, 245 Volt
- Haut-parleur
- HP dynamique à aimant permanent + bobine mobile
- Puissance de sortie
- 2.5 W (qualité inconnue)
- Matière
- Boitier en bois
- De Radiomuseum.org
- Modèle: EL3511/82 - Philips - Österreich
- Forme
- Modèle de table avec boutons poussoirs.
- Dimensions (LHP)
- 340 x 380 x 200 mm / 13.4 x 15 x 7.9 inch
- Remarques
-
Geschwindigkeiten: 4,75 cm/sec (50-5000 Hz) und 9,5 cm/sec (50-10000 Hz). Die Abdeckung ist aus Bakelit. Alle seitlichen Steckfeld-Ein/Ausgänge sind für Bananenstecker ausgelegt.
Verwendung des Gerätes als Verstärker möglich. Frequenzumfang: 40-15000 Hz. Parallelgerät zu Philips EL3511 /83 und Hornyphon Diola WM95-4754A.
- Poids net
- 12.8 kg / 28 lb 3.1 oz (28.194 lb)
- Prix de mise sur le marché
- 3,380.00 ATS
- Source
- -- Original-techn. papers.
- Schémathèque (1)
- -- Original-techn. papers.
- Auteur
- Modèle crée par Wolfgang Bauer. Voir les propositions de modification pour les contributeurs supplémentaires.
- D'autres Modèles
-
Vous pourrez trouver sous ce lien 1077 modèles d'appareils, 1011 avec des images et 854 avec des schémas.
Tous les appareils de Philips - Österreich
Collections
Le modèle fait partie des collections des membres suivants.