- Paese
- Olanda
- Produttore / Marca
- Philips; Eindhoven (tubes international!); Miniwatt
- Anno
- 1959 ?
- Categoria
- Registratore audio/video e/o riproduttore
- Radiomuseum.org ID
- 252080
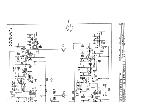
Clicca sulla miniatura dello schema per richiederlo come documento gratuito.
- Numero di tubi
- 8
- Numero di transistor
- Principio generale
- Amplificatore audio
- Gamme d'onda
- - senza
- Particolarità
- Registratore a nastro
- Tensioni di funzionamento
- Alimentazione a corrente alternata (CA) / 110; 127; 220; 245 Volt
- Altoparlante
- 2 altoparlanti
- Potenza d'uscita
- 8 W (qualità ignota)
- Materiali
- Pelle / stoffa / plastica ma con altro materiale sottostante
- Radiomuseum.org
- Modello: EL3536A /00 - Philips; Eindhoven tubes
- Forma
- Soprammobile basso, con andamento orizzontale (grosse dimensioni).
- Dimensioni (LxAxP)
- 475 x 280 x 390 mm / 18.7 x 11 x 15.4 inch
- Annotazioni
-
Stereo Tape Recorders EL3536A /00.
There are a series of modifications enumerated in the schematics section which lead to 3 successive versions with their own schematic:
- 1st version from serial number 0 to 5400.
- 2nd version from serial number 5401 to 12260.
- 3rd version from serial number 12261 and up.
A supplemental alignment manual for the mechanics is available at the bottom of this page.
Tracks: 4 (2 in each direction).
3 Speed: 4,75 - 9,5 - 19 cm/sec.
Motor(s): 1.
Reel diameter: up to 18 cm (7").
Loudspeakers:- internal left channel: AD3461X/01.
- external right channel: AD1720.
Frequency response and tape speed:
- 4,75 cm/sec: 60 - 8000Hz.
- 9,5 cm/sec: 60 - 14000Hz.
- 19 cm/sec: 60 - 18000Hz.
Inputs (all stereo):
- (Bu1, DIN) Microphone (EL3752 /00 or EL3750 /00): 2mV / 100kΩ.
- (Bu2, DIN) Diode*: 5mV / 100kΩ.
- (Bu4, banana plug) Gramophone: 150mV / 1MΩ.
Outputs (all stereo):
- (Bu2, DIN) Diode: 2V / 50kΩ.
- (Bu3, DIN) Headphones: 100mV / 1000Ω.
- (Bu6, banana plug) Line-out: 2V / 50kΩ.
- (Bu8, banana plug) external loudspeaker(s) (5Ω) with automatic cut-off of internal left channel loudspeaker. The right channel is always extern in the lid.
* Diode and diode-cable: Connector and cable which serve for both IN and OUT signals, sometimes at the same time.
- Peso netto
- 21 kg / 46 lb 4.1 oz (46.256 lb)
- Letteratura / Schemi (1)
- -- Original-techn. papers.
Supplemental pages to Service Manual | 1094 KB |
- Documenti su questo modello
- Autore
- Modello inviato da Radiomuseum Olen Museum. Utilizzare "Proponi modifica" per inviare ulteriori dati.
- Altri modelli
-
In questo link sono elencati 5278 modelli, di cui 4426 con immagini e 3461 con schemi.
Elenco delle radio e altri apparecchi della Philips; Eindhoven (tubes international!); Miniwatt