Fernseh-Philetta 11TD525A Ch=B2N
Philips Radios - Deutschland
- Country
- Germany
- Manufacturer / Brand
- Philips Radios - Deutschland
- Year
- 1966
- Category
- Television Receiver (TV) or Monitor
- Radiomuseum.org ID
- 275036
-
- Brand: Deutsche Philips-Ges.
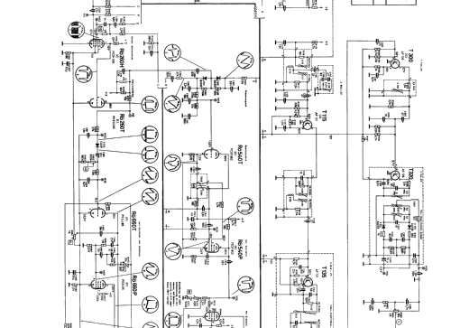
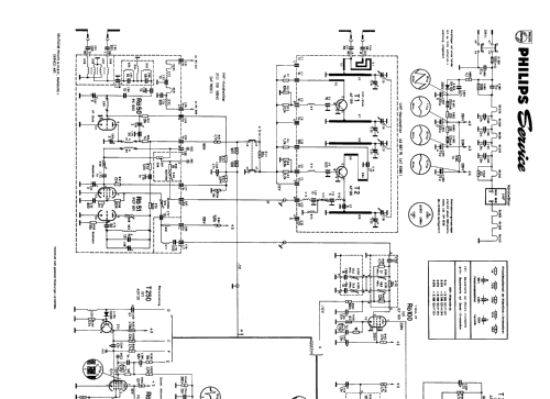
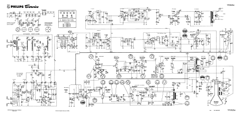
Click on the schematic thumbnail to request the schematic as a free document.
- Number of Tubes
- 12
- Number of Transistors
- 8
- Main principle
- Superheterodyne (common); ZF/IF 38900 kHz
- Wave bands
- VHF incl. FM and/or UHF (see notes for details)
- Power type and voltage
- Alternating Current supply (AC) / 220 Volt
- Loudspeaker
- Permanent Magnet Dynamic (PDyn) Loudspeaker (moving coil)
- from Radiomuseum.org
- Model: Fernseh-Philetta 11TD525A Ch=B2N - Philips Radios - Deutschland
- Literature/Schematics (1)
- -- Original-techn. papers.
- Author
- Model page created by Miguel Bravo-Cos. See "Data change" for further contributors.
- Other Models
-
Here you find 2549 models, 2261 with images and 1566 with schematics for wireless sets etc. In French: TSF for Télégraphie sans fil.
All listed radios etc. from Philips Radios - Deutschland