Transistor Seven Personic L0G90T/01
Philips Electrical, Lamps, Industrial - Miniwatt; London
- Land
- Grossbritannien (UK)
- Hersteller / Marke
- Philips Electrical, Lamps, Industrial - Miniwatt; London
- Jahr
- 1961 ?
- Kategorie
- Rundfunkempfänger (Radio - oder Tuner nach WW2)
- Radiomuseum.org ID
- 168027
Klicken Sie auf den Schaltplanausschnitt, um diesen kostenlos als Dokument anzufordern.
- Anzahl Transistoren
- 7
- Hauptprinzip
- Superhet allgemein; ZF/IF 470 kHz; 3 NF-Stufe(n)
- Anzahl Kreise
- 5 Kreis(e) AM
- Wellenbereiche
- Langwelle, Mittelwelle (LW+MW).
- Betriebsart / Volt
- Trockenbatterien / AA: 3 X 1.5 Volt
- Lautsprecher
- Dynamischer LS, keine Erregerspule (permanentdynamisch)
- Material
- Plastikgehäuse (nicht Bakelit), Thermoplast
- von Radiomuseum.org
- Modell: Transistor Seven Personic L0G90T/01 - Philips Electrical, Lamps,
- Form
- Kleines Reisegerät oder «Taschengerät» < 20 cm.
- Abmessungen (BHT)
- 5.5 x 3.25 x 1.25 inch / 140 x 83 x 32 mm
- Bemerkung
-
A battery powered pocket AM seven transistor radio covering MW (185 - 570 metres) and LW (1150 - 2000 metres). Socket for high impedance earphone.
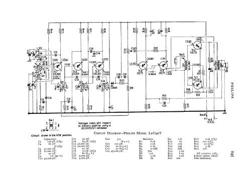
Same cabinet as the Philips L0G90T model but the L0G90T/01 model has two minor circuit differences and its tuning gang rotates in the opposite direction so its tuning scale is reversed. Same chassis as in the Philips L0G91T model which is in a different cabinet. See also the similar Philips Fanette L0X90T /01 model built in the Netherlands.
- Datenherkunft
- -- Schematic
- Literatur/Schema (1)
- Trader Service Sheet (suppl. of Wireless & El. Trader, etc.) (1569 dated 29 September 1962)
- Literatur/Schema (2)
- Radio And Television Servicing books (R&TVS)
- Autor
- Modellseite von Keith Staines angelegt. Siehe bei "Änderungsvorschlag" für weitere Mitarbeit.
- Weitere Modelle
-
Hier finden Sie 427 Modelle, davon 305 mit Bildern und 286 mit Schaltbildern.
Alle gelisteten Radios usw. von Philips Electrical, Lamps, Industrial - Miniwatt; London
Sammlungen
Das Modell Transistor Seven Personic befindet sich in den Sammlungen folgender Mitglieder.