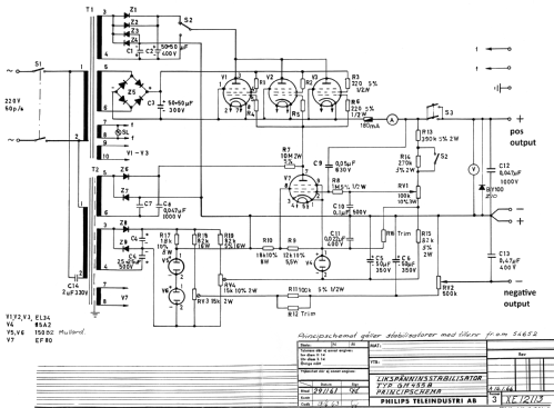
Likspänningsstabilisator GM455B
Philips, Svenska AB, Stockholm
- Pays
- Suède
- Fabricant / Marque
- Philips, Svenska AB, Stockholm
- Année
- 1960 ??
- Catégorie
- Alimentation/stabilisateur de tension ou batterie ou chargeur
- Radiomuseum.org ID
- 208860
Cliquez sur la vignette du schéma pour le demander en tant que document gratuit.
- No. de tubes
- 4
- Gammes d'ondes
- - sans
- Tension / type courant
- Alimentation Courant Alternatif (CA) / 220 Volt
- Haut-parleur
- - - Pas de sortie basse fréquence
- Matière
- Boitier métallique
- De Radiomuseum.org
- Modèle: Likspänningsstabilisator GM455B - Philips, Svenska AB, Stockholm
- Forme
- Modèle de table générique
- Dimensions (LHP)
- 325 x 240 x 200 mm / 12.8 x 9.4 x 7.9 inch
- Remarques
- The Philips GM455B delivers stabilized DC voltages:
0...250 V @ 250 mA, 200...500 V @ 200 mA.
0...250 V @ 0,5 mA
Heater voltage: AC 6,3 V @ 4,5 A.
- Auteur
- Modèle crée par Timo Rantasaari. Voir les propositions de modification pour les contributeurs supplémentaires.
- D'autres Modèles
-
Vous pourrez trouver sous ce lien 241 modèles d'appareils, 221 avec des images et 111 avec des schémas.
Tous les appareils de Philips, Svenska AB, Stockholm
Collections
Le modèle Likspänningsstabilisator fait partie des collections des membres suivants.