• Año
  • 1949
  • Categoría
  • Radio - o Sintonizador pasado WW2
  • Radiomuseum.org ID
  • 98107

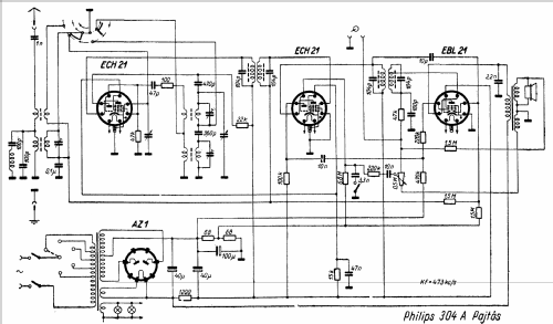
Haga clic en la miniatura esquemática para solicitarlo como documento gratuito.

 Especificaciones técnicas

  • Numero de valvulas
  • 4
  • Principio principal
  • Superheterodino en general; ZF/IF 473 kHz
  • Número de circuitos sintonía
  • 6 Circuíto(s) AM
  • Gama de ondas
  • OM y OL
  • Tensión de funcionamiento
  • Red: Corriente alterna (CA, Inglés = AC) / 110-240 Volt
  • Altavoz
  • Altavoz dinámico. Se desconoce si a imán permanente o electroimán.
  • Material
  • Materiales diversos
  • de Radiomuseum.org
  • Modelo: Pajtás 304A - Philips Hungary, Rádió és
  • Forma
  • Sobremesa de cualquier forma, detalles no conocidos.
  • Ancho, altura, profundidad
  • 600 x 370 x 240 mm / 23.6 x 14.6 x 9.4 inch
  • Peso neto
  • 13 kg / 28 lb 10.1 oz (28.634 lb)
  • Precio durante el primer año
  • 1,330.00 HUF
  • Documentación / Esquemas (4)
  • Kóger László: Szép Rádiók, Bp, 2015.
  • Autor
  • Modelo creado por Folkert Rothe. Ver en "Modificar Ficha" los participantes posteriores.

 Colecciones | Museos | Literatura

Colecciones

El modelo Pajtás es parte de las colecciones de los siguientes miembros.

 Forum