Philetta 208U-46
Philips; Eindhoven (tubes international!); Miniwatt
- Country
- Netherlands
- Manufacturer / Brand
- Philips; Eindhoven (tubes international!); Miniwatt
- Year
- 1944/1945
- Category
- Broadcast Receiver - or past WW2 Tuner
- Radiomuseum.org ID
- 133800
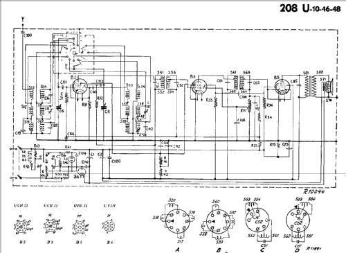
Click on the schematic thumbnail to request the schematic as a free document.
- Number of Tubes
- 4
- Main principle
- Superheterodyne (common); ZF/IF 452 kHz
- Wave bands
- Broadcast, Long Wave and Short Wave.
- Power type and voltage
- AC/DC-set / 110; 125; 220 Volt
- Loudspeaker
- Electro Magnetic Dynamic LS (moving-coil with field excitation coil)
- Material
- Bakelite case
- from Radiomuseum.org
- Model: Philetta 208U-46 - Philips; Eindhoven tubes
- Shape
- Tablemodel without push buttons, Mantel/Midget/Compact up to 14
- Dimensions (WHD)
- 280 x 160 x 130 mm / 11 x 6.3 x 5.1 inch
- Notes
- Schaltpläne wie beim Modell Philetta 208U-10.
- Net weight (2.2 lb = 1 kg)
- 2.7 kg / 5 lb 15.2 oz (5.947 lb)
- Source of data
- -- Schematic
- Author
- Model page created by Wolfgang Bauer. See "Data change" for further contributors.
- Other Models
-
Here you find 5280 models, 4428 with images and 3461 with schematics for wireless sets etc. In French: TSF for Télégraphie sans fil.
All listed radios etc. from Philips; Eindhoven (tubes international!); Miniwatt
Collections
The model Philetta is part of the collections of the following members.