Philetta 292 22RB292
Philips - Österreich
- Country
- Austria
- Manufacturer / Brand
- Philips - Österreich
- Year
- 1970/1971
- Category
- Broadcast Receiver - or past WW2 Tuner
- Radiomuseum.org ID
- 313330
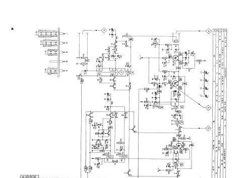
Click on the schematic thumbnail to request the schematic as a free document.
- Number of Transistors
- 10
- Main principle
- Superheterodyne (common); ZF/IF 460/10700 kHz
- Tuned circuits
- 5 AM circuit(s) 8 FM circuit(s)
- Wave bands
- Broadcast, Long Wave, Short Wave plus FM or UHF.
- Power type and voltage
- Alternating Current supply (AC) / 110; 120; 220; 240 Volt
- Loudspeaker
- Permanent Magnet Dynamic (PDyn) Loudspeaker (moving coil)
- Power out
- 2.8 W (unknown quality)
- Material
- Plastics (no bakelite or catalin)
- from Radiomuseum.org
- Model: Philetta 292 22RB292 - Philips - Österreich
- Shape
- Tablemodel with Push Buttons.
- Dimensions (WHD)
- 540 x 150 x 160 mm / 21.3 x 5.9 x 6.3 inch
- Notes
-
- LW: 150 - 280 KHz
- MW1: 517 - 1410 KHz
- MW2: 1400 - 1620 KHz
- KW: 5,9 - 9,9 MHz
- UKW: 87,5 - 104 MHz
Wahrscheinlich in Finnland für die EFTA-Freihandelszone hergestellt.
Parallelgerät mit dem Horny Diplomat SA4312.
- Net weight (2.2 lb = 1 kg)
- 2.8 kg / 6 lb 2.7 oz (6.167 lb)
- Literature/Schematics (1)
- -- Original-techn. papers.
- Author
- Model page created by Wolfgang Bauer. See "Data change" for further contributors.
- Other Models
-
Here you find 1077 models, 1011 with images and 854 with schematics for wireless sets etc. In French: TSF for Télégraphie sans fil.
All listed radios etc. from Philips - Österreich