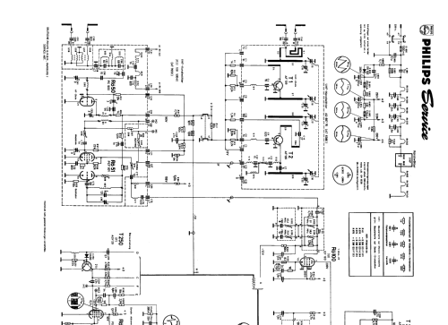
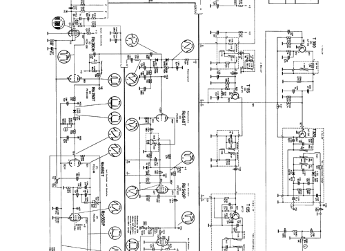
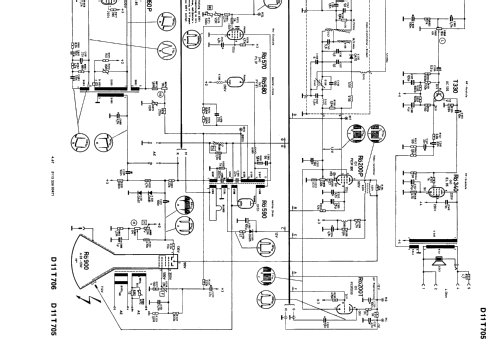
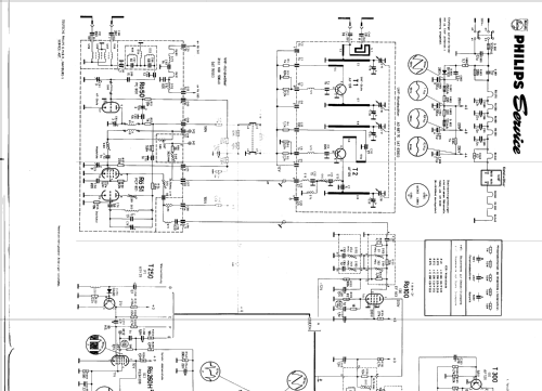
Fernseh-Philetta Automatic D11T705 /01 Ch= B2N
Philips Radios - Deutschland
- País
- Alemania
- Fabricante / Marca
- Philips Radios - Deutschland
- Año
- 1967
- Categoría
- Televisión (TV) o monitor
- Radiomuseum.org ID
- 71564
-
- Brand: Deutsche Philips-Ges.
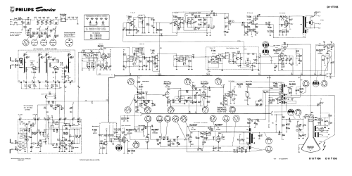
Haga clic en la miniatura esquemática para solicitarlo como documento gratuito.
- Numero de valvulas
- 12
- Numero de transistores
- 8
- Principio principal
- Superheterodino en general; ZF/IF 38900 kHz
- Gama de ondas
- VHF/UHF (see notes for details)
- Tensión de funcionamiento
- Red: Corriente alterna (CA, Inglés = AC) / 220 Volt
- Altavoz
- Altavoz elíptico de imán permanente.
- Material
- Plástico moderno (Nunca bakelita o catalina)
- de Radiomuseum.org
- Modelo: Fernseh-Philetta Automatic D11T705 /01 Ch= B2N - Philips Radios - Deutschland
- Forma
- Sobremesa apaisado (tamaño grande).
- Ancho, altura, profundidad
- 355 x 250 x 270 mm / 14 x 9.8 x 10.6 inch
- Peso neto
- 8.5 kg / 18 lb 11.6 oz (18.722 lb)
- Documentación / Esquemas (1)
- -- Original-techn. papers.
- Autor
- Modelo creado por Hilmer Grunert. Ver en "Modificar Ficha" los participantes posteriores.
- Otros modelos
-
Donde encontrará 2547 modelos, 2259 con imágenes y 1565 con esquemas.
Ir al listado general de Philips Radios - Deutschland
Colecciones
El modelo Fernseh-Philetta Automatic es parte de las colecciones de los siguientes miembros.