Radio-Recorder D7232 /00
Philips - Österreich
- Country
- Austria
- Manufacturer / Brand
- Philips - Österreich
- Year
- 1986 ??
- Category
- Broadcast Receiver - or past WW2 Tuner
- Radiomuseum.org ID
- 163902
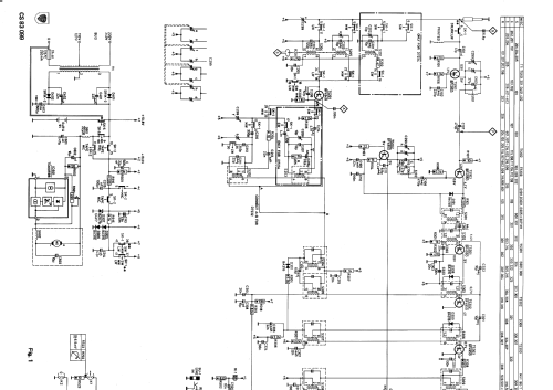
Click on the schematic thumbnail to request the schematic as a free document.
- Number of Transistors
- 8
- Main principle
- Superheterodyne (common); ZF/IF 468/10700 kHz
- Wave bands
- Broadcast, Long Wave and FM or UHF.
- Details
- Cassette-Recorder or -Player
- Power type and voltage
- Line / Batteries (any type) / 110-127; 220-240 / 6 × 1,5 Volt
- Loudspeaker
- Permanent Magnet Dynamic (PDyn) Loudspeaker (moving coil)
- Power out
- 0.75 W (unknown quality)
- Material
- Plastics (no bakelite or catalin)
- from Radiomuseum.org
- Model: Radio-Recorder D7232 /00 - Philips - Österreich
- Shape
- Portable set > 8 inch (also usable without mains)
- Literature/Schematics (1)
- -- Original-techn. papers.
- Author
- Model page created by Wolfgang Bauer. See "Data change" for further contributors.
- Other Models
-
Here you find 1077 models, 1011 with images and 854 with schematics for wireless sets etc. In French: TSF for Télégraphie sans fil.
All listed radios etc. from Philips - Österreich