Radio-Recorder AR 060 22AR060 /00
Philips - Österreich
- Country
- Austria
- Manufacturer / Brand
- Philips - Österreich
- Year
- 1977 ?
- Category
- Broadcast Receiver - or past WW2 Tuner
- Radiomuseum.org ID
- 212486
Click on the schematic thumbnail to request the schematic as a free document.
- Number of Transistors
- 9
- Semiconductors
- BF494 BF495 BF495 BC548 BC548 BC549 BC548 BC548 BC548 TBA120 TBA820 TCA900 1N4002 1N4148 BA315 BA316 BZX75
- Main principle
- Superheterodyne (common)
- Wave bands
- Broadcast (BC) and FM or UHF.
- Details
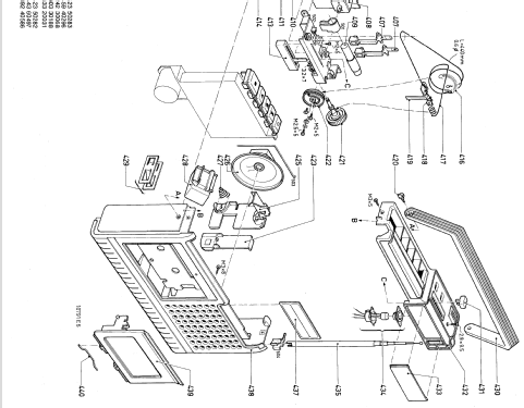
- Cassette-Recorder or -Player
- Power type and voltage
- Line / Batteries (any type) / 220 / 6 x 1,5 Volt
- Loudspeaker
- Permanent Magnet Dynamic (PDyn) Loudspeaker (moving coil) / Ø 8 cm = 3.1 inch
- Power out
- 1 W (unknown quality)
- Material
- Plastics (no bakelite or catalin)
- from Radiomuseum.org
- Model: Radio-Recorder AR 060 22AR060 /00 - Philips - Österreich
- Shape
- Portable set > 8 inch (also usable without mains)
- Dimensions (WHD)
- 240 x 160 x 65 mm / 9.4 x 6.3 x 2.6 inch
- Notes
-
Radiorecorder 22AR060/00
eingebautes Mikrofon, DIN-Buchse für Line Phono/Mikro, Teleskopantenne
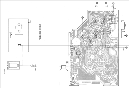
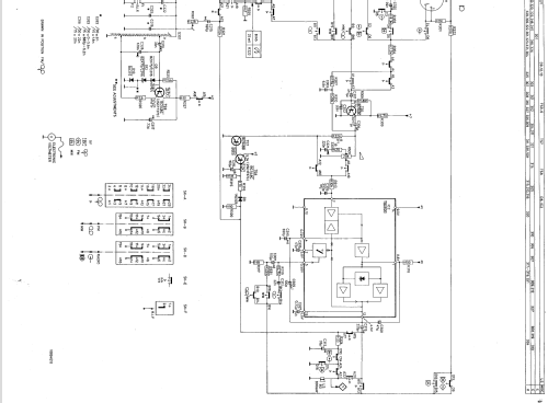
FM Empfangsteil mit BF494, BF495 und TBA120S
AM Empfangsteil mit BF495 und 2 x BC548B
Wiedergabe- und Mikrofonvorverstärker mit BC549C
Lautsprecher- und Aufnahmeverstärker TBA820
Automatische Aufnahmeaussteuerung mit BC548B und BC548C
Löschoszillator und HF-Vormagnetisierung mit BC548C
Motorregelung mit TCA900B
- Net weight (2.2 lb = 1 kg)
- 1.350 kg / 2 lb 15.6 oz (2.974 lb)
- Source of data
- - - Data from my own collection
- Author
- Model page created by Karlheinz Fischer. See "Data change" for further contributors.
- Other Models
-
Here you find 1077 models, 1011 with images and 854 with schematics for wireless sets etc. In French: TSF for Télégraphie sans fil.
All listed radios etc. from Philips - Österreich
Collections
The model Radio-Recorder AR 060 is part of the collections of the following members.