Radioplayer 6620
Philips Australia
- Pays
- Australie
- Fabricant / Marque
- Philips Australia
- Année
- 1936/1937
- Catégorie
- Radio - ou tuner d'après la guerre 1939-45
- Radiomuseum.org ID
- 171676
Cliquez sur la vignette du schéma pour le demander en tant que document gratuit.
- No. de tubes
- 5
- Principe général
- Super hétérodyne (en général); FI/IF 462.5 kHz; 2 Etage(s) BF
- Circuits accordés
- 6 Circuits MA (AM)
- Gammes d'ondes
- PO uniquement
- Tension / type courant
- Appareil tous courants (CA / CC) / 195-260 Volt
- Haut-parleur
- HP dynamique à électro-aimant (électrodynamique) / Ø 8 inch = 20.3 cm
- Matière
- Boitier en bois
- De Radiomuseum.org
- Modèle: Radioplayer 6620 - Philips Australia
- Forme
- Console avec pieds bas < 50% de la hauteur
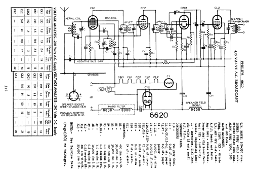
- Source du schéma
- Australian Official Radio Service Manual Vol. I I
- Schémathèque (1)
- Radio & Electrical Retailer, Australia (Radio Technician supplement 31/3/39)
- Auteur
- Modèle crée par Stuart Irwin. Voir les propositions de modification pour les contributeurs supplémentaires.
- D'autres Modèles
-
Vous pourrez trouver sous ce lien 916 modèles d'appareils, 723 avec des images et 438 avec des schémas.
Tous les appareils de Philips Australia