- Country
- Spain
- Manufacturer / Brand
- Philips Ibérica, COPRESA, Compañía de Productos Electrónicos, Miniwatt tubes, SELEZ; Madrid, Barcelona
- Year
- 1957
- Category
- Audio Amplifier or -mixer
- Radiomuseum.org ID
- 288021
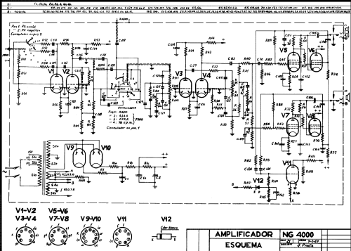
Click on the schematic thumbnail to request the schematic as a free document.
- Number of Tubes
- 11
- Number of Transistors
- Main principle
- Audio-Amplification
- Wave bands
- - without
- Power type and voltage
- Alternating Current supply (AC) / 110; 125; 150 Volt
- Loudspeaker
- - This model requires external speaker(s).
- Power out
- 3.5 W (unknown quality)
- Material
- Metal case
- from Radiomuseum.org
- Model: NG-4000 - Philips Ibérica, COPRESA,
- Shape
- Tablemodel without push buttons, Mantel/Midget/Compact up to 14
- Dimensions (WHD)
- 325 x 233 x 175 mm / 12.8 x 9.2 x 6.9 inch
- Literature/Schematics (1)
- -- Original-techn. papers.
- Author
- Model page created by Miguel Bravo-Cos. See "Data change" for further contributors.
- Other Models
-
Here you find 638 models, 532 with images and 469 with schematics for wireless sets etc. In French: TSF for Télégraphie sans fil.
All listed radios etc. from Philips Ibérica, COPRESA, Compañía de Productos Electrónicos, Miniwatt tubes, SELEZ; Madrid, Barcelona
Collections
The model is part of the collections of the following members.