- Country
- New Zealand-Aotearoa
- Manufacturer / Brand
- Philips Electrical Industries of New Zealand Ltd.; Wellington
- Year
- 1947 ?
- Category
- Broadcast Receiver - or past WW2 Tuner
- Radiomuseum.org ID
- 344372
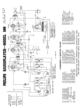
Click on the schematic thumbnail to request the schematic as a free document.
- Number of Tubes
- 5
- Main principle
- Superheterodyne (common); ZF/IF 455 kHz; 2 AF stage(s)
- Tuned circuits
- 6 AM circuit(s)
- Wave bands
- Broadcast and Short Wave (SW).
- Details
- Record Player (not changer)
- Power type and voltage
- Alternating Current supply (AC) / 230 Volt
- Loudspeaker
- Permanent Magnet Dynamic (PDyn) Loudspeaker (moving coil)
- Material
- Wooden case
- from Radiomuseum.org
- Model: 599 - Philips Electrical Industries
- Shape
- Tablemodel, with any shape - general.
- Dimensions (WHD)
- 16 x 12 x 18.5 inch / 406 x 305 x 470 mm
- Notes
-
5-Valve superhet dual wave table radiogram.
See also Mullard 567.
- Net weight (2.2 lb = 1 kg)
- 31 lb (31 lb 0 oz) / 14.074 kg
- Price in first year of sale
- 48.38 NZ £
- Mentioned in
- -- Original prospect or advert (Press 16 October 1947 Page 4)
- Author
- Model page created by Brian Stevens. See "Data change" for further contributors.
- Other Models
-
Here you find 173 models, 167 with images and 129 with schematics for wireless sets etc. In French: TSF for Télégraphie sans fil.
All listed radios etc. from Philips Electrical Industries of New Zealand Ltd.; Wellington