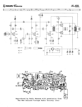
Transistorgram AG4026/Z Ch=AG2026/90
Philips Electrical Industries of New Zealand Ltd.; Wellington
- Land
- Neuseeland-Aotearoa
- Hersteller / Marke
- Philips Electrical Industries of New Zealand Ltd.; Wellington
- Jahr
- 1963 ?
- Kategorie
- Ton-/Bildspeichergerät oder -Spieler
- Radiomuseum.org ID
- 361122
Klicken Sie auf den Schaltplanausschnitt, um diesen kostenlos als Dokument anzufordern.
- Anzahl Transistoren
- 5
- Hauptprinzip
- NF-Verstärkung
- Wellenbereiche
- - ohne
- Spezialitäten
- Plattenspieler (kein -Wechsler)
- Betriebsart / Volt
- Trockenbatterien / D: 6 x 1.5 Volt
- Lautsprecher
- Dynamischer LS, keine Erregerspule (permanentdynamisch) / Ø 7 inch = 17.8 cm
- Belastbarkeit / Leistung
- 0.8 W (max./spitze)
- Material
- Plastikgehäuse (nicht Bakelit), Thermoplast
- von Radiomuseum.org
- Modell: Transistorgram AG4026/Z Ch=AG2026/90 - Philips Electrical Industries
- Form
- Reisegerät > 20 cm (netzunabhängig betreibbar)
- Abmessungen (BHT)
- 330 x 150 x 240 mm / 13 x 5.9 x 9.4 inch
- Bemerkung
-
Philips AG4026Z Transistorgram
Portable 4-speed record player and amplifier.
See also Netherlands version Portable Record Reproducer AG4026 /90 /90A Ch= AG2026-90
- Nettogewicht
- 2.7 kg / 5 lb 15.2 oz (5.947 lb)
- Originalpreis
- 27.88 NZ £
- Literaturnachweis
- -- Original prospect or advert (Press 10 October 1964 Page 14)
- Literatur/Schema (1)
- -- Original prospect or advert (Press 18 December 1963 Page 25)
- Autor
- Modellseite von Brian Stevens angelegt. Siehe bei "Änderungsvorschlag" für weitere Mitarbeit.
- Weitere Modelle
-
Hier finden Sie 172 Modelle, davon 166 mit Bildern und 129 mit Schaltbildern.
Alle gelisteten Radios usw. von Philips Electrical Industries of New Zealand Ltd.; Wellington