Signal Generator E-200-C 6AU6
Precision Apparatus Co. (Pacotronics); Brooklyn - Elmhurst - Glendale, NY / Chicago, IL
- Produttore / Marca
- Precision Apparatus Co. (Pacotronics); Brooklyn - Elmhurst - Glendale, NY / Chicago, IL
- Anno
- 1957
- Categoria
- Strumento da laboratorio
- Radiomuseum.org ID
- 77610
Clicca sulla miniatura dello schema per richiederlo come documento gratuito.
- Numero di tubi
- 3
- Gamme d'onda
- Gamme d'onda nelle note.
- Tensioni di funzionamento
- Alimentazione a corrente alternata (CA) / 110 Volt
- Altoparlante
- - - Nessuna uscita audio.
- Materiali
- Mobile di metallo
- Radiomuseum.org
- Modello: Signal Generator E-200-C [6AU6] - Precision Apparatus Co.
- Forma
- Soprammobile con qualsiasi forma (non saputo).
- Dimensioni (LxAxP)
- 330 x 300 x 160 mm / 13 x 11.8 x 6.3 inch
- Annotazioni
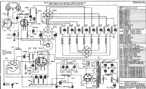
- The Signal Marking Generator E-200-C can generate for band A: 88-250 kc; band B: 220-600 kc; band C: 550-1700 kc; band D: 1600-5000 kc; band E: 5-16 mc; band F: 15,5-35 mc; band G: 29-60 mc (MHz); band G2: 60-120 mc (harmonics) and band G4: 120-240 mc (harmonics). See also models with the tube 6SJ7 instead of the 6AU6.
- Autore
- Modello inviato da Georges Van Campenhout † 28.4.22. Utilizzare "Proponi modifica" per inviare ulteriori dati.
- Altri modelli
-
In questo link sono elencati 69 modelli, di cui 63 con immagini e 26 con schemi.
Elenco delle radio e altri apparecchi della Precision Apparatus Co. (Pacotronics); Brooklyn - Elmhurst - Glendale, NY / Chicago, IL
Collezioni
Il modello Signal Generator fa parte delle collezioni dei seguenti membri.