- Paese
- Germania
- Produttore / Marca
- QUELLE GmbH (Universum); Fürth und Nürnberg
- Anno
- 1974 ?
- Categoria
- Registratore audio/video e/o riproduttore
- Radiomuseum.org ID
- 190001
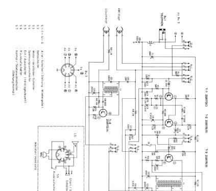
Clicca sulla miniatura dello schema per richiederlo come documento gratuito.
- Numero di transistor
- 6
- Semiconduttori
- Principio generale
- Amplificatore audio
- Gamme d'onda
- - senza
- Particolarità
- Registratore o riprod a cassett
- Tensioni di funzionamento
- Alimentazione a corrente alternata (CA) / 220 Volt
- Altoparlante
- - Per cuffie o amplificatori esterni
- Materiali
- Plastica (non bachelite o catalina)
- Radiomuseum.org
- Modello: CD100 - QUELLE GmbH Universum; Fürth
- Forma
- Soprammobile con pulsantiera/tastiera.
- Dimensioni (LxAxP)
- 276 x 78 x 257 mm / 10.9 x 3.1 x 10.1 inch
- Annotazioni
- Diktiergerät für Compact-Cassette.
- Fonte dei dati
- -- Original-techn. papers.
- Autore
- Modello inviato da Heiko zur Mühlen. Utilizzare "Proponi modifica" per inviare ulteriori dati.
- Altri modelli
-
In questo link sono elencati 1092 modelli, di cui 916 con immagini e 518 con schemi.
Elenco delle radio e altri apparecchi della QUELLE GmbH (Universum); Fürth und Nürnberg