RA340T
Radiola (marque)
- Country
- France
- Manufacturer / Brand
- Radiola (marque)
- Year
- 1962–1964
- Category
- Broadcast Receiver - or past WW2 Tuner
- Radiomuseum.org ID
- 102814
-
- Brand: SFER
Click on the schematic thumbnail to request the schematic as a free document.
- Number of Transistors
- 7
- Main principle
- Superheterodyne (common); ZF/IF 455 kHz
- Wave bands
- Broadcast, Long Wave and Short Wave.
- Power type and voltage
- Dry Batteries / 4 × 1,5 Volt
- Loudspeaker
- Permanent Magnet Dynamic (PDyn) Loudspeaker (moving coil)
- Material
- Leather / canvas / plastic - over other material
- from Radiomuseum.org
- Model: RA340T - Radiola marque
- Shape
- Portable set > 8 inch (also usable without mains)
- Dimensions (WHD)
- 260 x 170 x 85 mm / 10.2 x 6.7 x 3.3 inch
- Notes
-
Clavier 4 touches. Prise antenne commutée. Prise pour HP 3 ohms ou écouteur type ER15X00.
Coffret polystyrène 2 tons, dos gainée. Présentation corail ou façon cuir.
Mallette-sac sur demande.
- Net weight (2.2 lb = 1 kg)
- 2.4 kg / 5 lb 4.6 oz (5.286 lb)
- Mentioned in
- Le grand livre de la TSF (Doctsf Ref 25981)
- Literature/Schematics (1)
- -- Original prospect or advert
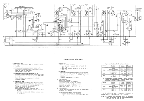
- Literature/Schematics (2)
- -- Schematic
- Author
- Model page created by John Koster. See "Data change" for further contributors.
- Other Models
-
Here you find 857 models, 567 with images and 276 with schematics for wireless sets etc. In French: TSF for Télégraphie sans fil.
All listed radios etc. from Radiola (marque)