RA2640T
Radiola (marque)
- País
- Francia
- Fabricante / Marca
- Radiola (marque)
- Año
- 1961/1962
- Categoría
- Registrador o reproductor de sonido o visual
- Radiomuseum.org ID
- 157115
-
- Brand: SFER
Haga clic en la miniatura esquemática para solicitarlo como documento gratuito.
- Numero de transistores
- 5
- Principio principal
- Amplificador de Audio
- Gama de ondas
- - no hay
- Especialidades
- Tocadiscos con ampli. y altavoz
- Tensión de funcionamiento
- Pilas / 6 x 1.5 Volt
- Altavoz
- Altavoz dinámico (de imán permanente) / Ø 16 cm = 6.3 inch
- Potencia de salida
- 0.8 W (unknown quality)
- Material
- Plástico moderno (Nunca bakelita o catalina)
- de Radiomuseum.org
- Modelo: RA2640T - Radiola marque
- Forma
- Portátil > 20 cm (sin la necesidad de una red)
- Ancho, altura, profundidad
- 330 x 155 x 240 mm / 13 x 6.1 x 9.4 inch
- Anotaciones
-
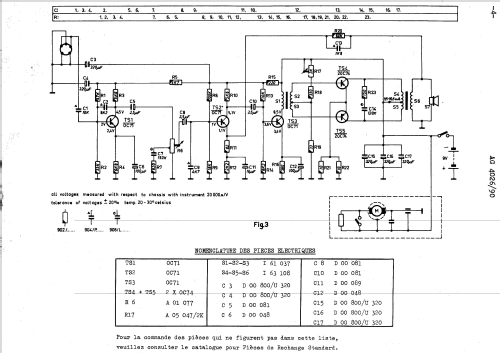
Platine 4 vitesses AG2026-90 à arrêt automatique. HP type AD3721, Z = 3 ohms.
Coffret deux couleurs, plateau caoutchouc.
- Mencionado en
- -- Original prospect or advert
- Documentación / Esquemas (1)
- -- Original-techn. papers.
- Autor
- Modelo creado por Jacky Parmentier. Ver en "Modificar Ficha" los participantes posteriores.
- Otros modelos
-
Donde encontrará 857 modelos, 567 con imágenes y 276 con esquemas.
Ir al listado general de Radiola (marque)