- Land
- Österreich / Austria
- Hersteller / Marke
- Radione (RADIO Nikolaus Eltz); Wien
- Jahr
- 1969
- Kategorie
- Fernseh-Empfänger/Monitor
- Radiomuseum.org ID
- 107210
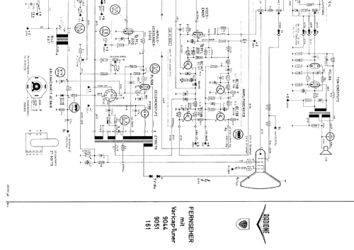
Klicken Sie auf den Schaltplanausschnitt, um diesen kostenlos als Dokument anzufordern.
- Anzahl Röhren
- 6
- Anzahl Transistoren
- 17
- Halbleiter
- Hauptprinzip
- Superhet allgemein
- Wellenbereiche
- Wellen in den Bemerkungen.
- Betriebsart / Volt
- Wechselstromspeisung / 220 Volt
- Lautsprecher
- Dynamischer LS, keine Erregerspule (permanentdynamisch)
- Material
- Gerät mit Holzgehäuse
- von Radiomuseum.org
- Modell: 9044 - Radione RADIO Nikolaus Eltz;
- Form
- Tischgerät, Tasten oder Druckknöpfe.
- Bemerkung
- Empfangsbereich VHF Band I+III, UHF Band IV+V.
- Literatur/Schema (1)
- -- Original-techn. papers.
- Autor
- Modellseite von Wolfgang Bauer angelegt. Siehe bei "Änderungsvorschlag" für weitere Mitarbeit.
- Weitere Modelle
-
Hier finden Sie 520 Modelle, davon 363 mit Bildern und 322 mit Schaltbildern.
Alle gelisteten Radios usw. von Radione (RADIO Nikolaus Eltz); Wien