- Country
- Austria
- Manufacturer / Brand
- Radione (RADIO Nikolaus Eltz); Wien
- Year
- 1973
- Category
- Television Receiver (TV) or Monitor
- Radiomuseum.org ID
- 106926
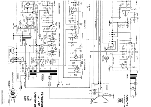
Click on the schematic thumbnail to request the schematic as a free document.
- Number of Tubes
- 6
- Number of Transistors
- 15
- Semiconductors
- Main principle
- Superheterodyne (common)
- Wave bands
- Wave Bands given in the notes.
- Power type and voltage
- Alternating Current supply (AC) / 220 Volt
- Loudspeaker
- 2 Loudspeakers
- Material
- Wooden case
- from Radiomuseum.org
- Model: TR6061 - Radione RADIO Nikolaus Eltz;
- Shape
- Tablemodel with Push Buttons.
- Notes
- 1 IC TAA930B. Empfangsbereich VHF Band I+III, UHF Band IV+V.
- Literature/Schematics (1)
- -- Original-techn. papers.
- Author
- Model page created by Wolfgang Bauer. See "Data change" for further contributors.
- Other Models
-
Here you find 520 models, 363 with images and 322 with schematics for wireless sets etc. In French: TSF for Télégraphie sans fil.
All listed radios etc. from Radione (RADIO Nikolaus Eltz); Wien