C-21C1-B Ch= 21CT1C
Raytheon Mfg. Co.; Cambridge, MA
- País
- Estados Unidos
- Fabricante / Marca
- Raytheon Mfg. Co.; Cambridge, MA
- Año
- 1957 ?
- Categoría
- Televisión (TV) o monitor
- Radiomuseum.org ID
- 316992
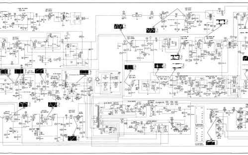
Haga clic en la miniatura esquemática para solicitarlo como documento gratuito.
- Numero de valvulas
- 27
- Válvulas
- 6BZ7 6U8 6DC6 6DC6 6DC6 6CB6 6CL6 6AN8 6U8 6U8 6T8 6AQ5 6U8 12AU7 6BL7GT 6AL5 6SN7GT 6CB5 6AU4GTA 3B2 6BK4 1X2B 6AG7 6BJ7 6U8 12BH7A 21AXP22A
- Principio principal
- Superheterodino con paso previo de RF
- Gama de ondas
- Bandas de recepción puestas en notas.
- Tensión de funcionamiento
- Red: Corriente alterna (CA, Inglés = AC) / 60 Hz, 117V = 110 -120 Volt
- Altavoz
- 2 Altavoces
- Material
- Madera
- de Radiomuseum.org
- Modelo: C-21C1-B Ch= 21CT1C - Raytheon Mfg. Co.; Cambridge,
- Forma
- Sobremesa de cualquier forma, detalles no conocidos.
- Anotaciones
-
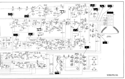
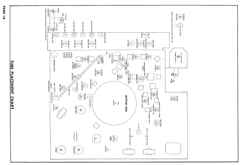
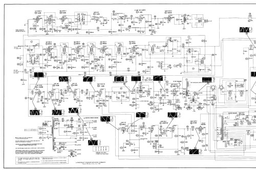
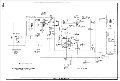
Raytheon model C-21C1-B is a 21" color TV with US standard VHF tuner channels 2 thru 13. Equipped with chassis 21CT1C, VHF tuner 211-25983 and picture tube 21AXP22.
- Documentación / Esquemas (1)
- Photofact Folder, Howard W. SAMS (Set 378 Folder 4 dated 11-57)
- Autor
- Modelo creado por Dirk Taekels. Ver en "Modificar Ficha" los participantes posteriores.
- Otros modelos
-
Donde encontrará 339 modelos, 155 con imágenes y 255 con esquemas.
Ir al listado general de Raytheon Mfg. Co.; Cambridge, MA