C-21C1-M Ch= 21CT1C
Raytheon Mfg. Co.; Cambridge, MA
- Land
- USA
- Hersteller / Marke
- Raytheon Mfg. Co.; Cambridge, MA
- Jahr
- 1957 ?
- Kategorie
- Fernseh-Empfänger/Monitor
- Radiomuseum.org ID
- 316993
Klicken Sie auf den Schaltplanausschnitt, um diesen kostenlos als Dokument anzufordern.
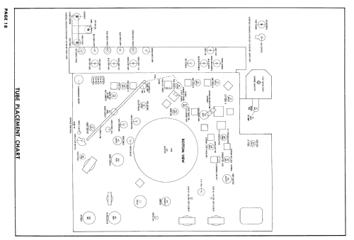
- Anzahl Röhren
- 27
- Röhren
- 6BZ7 6U8 6DC6 6DC6 6DC6 6CB6 6CL6 6AN8 6U8 6U8 6T8 6AQ5 6U8 12AU7 6BL7GT 6AL5 6SN7GT 6CB5 6AU4GTA 3B2 6BK4 1X2B 6AG7 6BJ7 6U8 12BH7A 21AXP22A
- Hauptprinzip
- Super mit HF-Vorstufe
- Wellenbereiche
- Wellen in den Bemerkungen.
- Betriebsart / Volt
- Wechselstromspeisung / 60 Hz, 117V = 110 -120 Volt
- Lautsprecher
- 2 Lautsprecher
- Material
- Gerät mit Holzgehäuse
- von Radiomuseum.org
- Modell: C-21C1-M Ch= 21CT1C - Raytheon Mfg. Co.; Cambridge,
- Form
- Tischmodell, Zusatz nicht bekannt - allgemein.
- Bemerkung
-
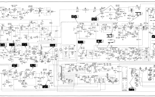
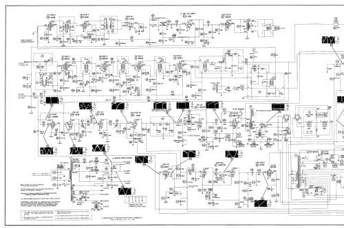
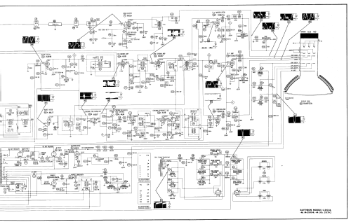
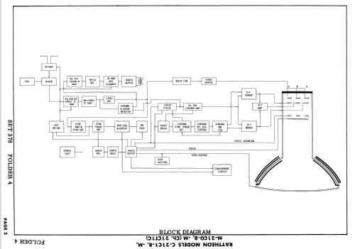
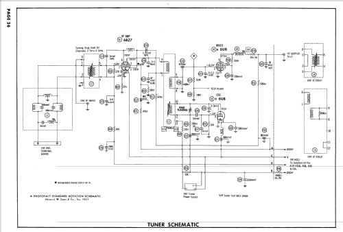
Raytheon model C-21C1-M is a 21" color TV with US standard VHF tuner channels 2 thru 13. Equipped with chassis 21CT1C, VHF tuner 211-25983 and picture tube 21AXP22.
- Literatur/Schema (1)
- Photofact Folder, Howard W. SAMS (Set 378 Folder 4 dated 11-57)
- Autor
- Modellseite von Dirk Taekels angelegt. Siehe bei "Änderungsvorschlag" für weitere Mitarbeit.
- Weitere Modelle
-
Hier finden Sie 339 Modelle, davon 155 mit Bildern und 255 mit Schaltbildern.
Alle gelisteten Radios usw. von Raytheon Mfg. Co.; Cambridge, MA