- Country
- United States of America (USA)
- Manufacturer / Brand
- RCA (RCA Victor Co. Inc.); New York (NY)
- Year
- 1936
- Category
- Broadcast Receiver - or past WW2 Tuner
- Radiomuseum.org ID
- 53755
-
- alternative name: RCA Manufacturing || Victor Talking Machine
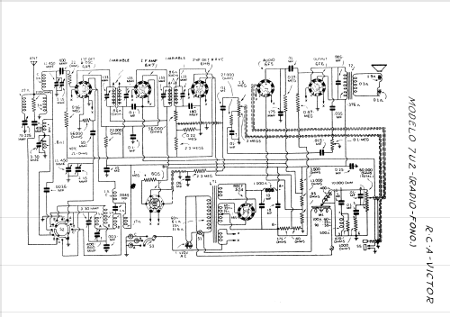
Click on the schematic thumbnail to request the schematic as a free document.
- Number of Tubes
- 7
- Main principle
- Superheterodyne (common); ZF/IF 460 kHz
- Wave bands
- Broadcast, Short Wave(s) and Police.
- Details
- Record Player (perh.Changer)
- Power type and voltage
- Alternating Current supply (AC) / See Notes Volt
- Loudspeaker
- Electro Magnetic Dynamic LS (moving-coil with field excitation coil)
- Power out
- 2 W (unknown quality)
- Material
- Wooden case
- from Radiomuseum.org
- Model: 7U2 - RCA RCA Victor Co. Inc.; New
- Shape
- Console with any shape - in general
- Dimensions (WHD)
- 25.25 x 42 x 15.25 inch / 641 x 1067 x 387 mm
- Notes
- This model has 5 power supply ratings:
Rating A-6...105-125V, 60 Cycles
Rating A-5...105-125V, 50 Cycles
Rating B-2...105-125V, 25 Cycles
Rating C-6...105-130; 140-160; 200-250V, 60 Cycles
Rating C-5...105-130; 140-160; 200-250V, 50 Cycles.
- Net weight (2.2 lb = 1 kg)
- 77 lb (77 lb 0 oz) / 34.958 kg
- External source of data
- Ernst Erb
- Source of data
- The Radio Collector's Directory and Price Guide 1921 - 1965
- Circuit diagram reference
- Rider's Perpetual, Volume 8 = 1937 and before
- Mentioned in
- Collector's Guide to Antique Radios (6th edition)
- Literature/Schematics (1)
- Pre-War Consoles
- Literature/Schematics (2)
- RCA Victor Service Notes "Red Book" Series
- Other Models
-
Here you find 5179 models, 3253 with images and 4216 with schematics for wireless sets etc. In French: TSF for Télégraphie sans fil.
All listed radios etc. from RCA (RCA Victor Co. Inc.); New York (NY)