Hochspannungsprüfer UHP (BN1950)
Rohde & Schwarz, PTE; München
- Country
- Germany
- Manufacturer / Brand
- Rohde & Schwarz, PTE; München
- Year
- 1958 ??
- Category
- Service- or Lab Equipment
- Radiomuseum.org ID
- 139711
-
- alternative name: Messgerätebau Memmingen || Physikalisch-Technisches Entwicklungslabor Dr. Rohde & Dr. Schwarz
Click on the schematic thumbnail to request the schematic as a free document.
- Wave bands
- - without
- Power type and voltage
- Alternating Current supply (AC) / 115; 125; 220; 235 Volt
- Loudspeaker
- - - No sound reproduction output.
- Material
- Metal case
- from Radiomuseum.org
- Model: Hochspannungsprüfer UHP - Rohde & Schwarz, PTE; München
- Shape
- Tablemodel, with any shape - general.
- Dimensions (WHD)
- 286 x 227 x 226 mm / 11.3 x 8.9 x 8.9 inch
- Notes
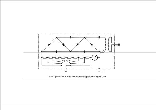
- Der Hochspannungsprüfer UHP erzeugt Gleichspannungen im Bereich von 50 bis 2000 V in 8 schaltbaren Stufen von 50, 250, 350, 500, 700, 1000, 1500 und 2000 V.
Es wird die Spannungsfestigkeit zwischen zwei voneinander isolierten Leitungspunkten geprüft. Der Hochspannungsprüfer verfügt über eine eingebaute Widerstandsmesseinrichtung, mit der Isolationswiderstände im Bereich von 10 kΩ bis 1200 MΩ bestimmt werden können. Der Kurzschlussstrom beträgt max. 4 mA.
- Net weight (2.2 lb = 1 kg)
- 7 kg / 15 lb 6.7 oz (15.419 lb)
- Source of data
- -- Original prospect or advert
- Author
- Model page created by Geert Schulte. See "Data change" for further contributors.
- Other Models
-
Here you find 557 models, 516 with images and 258 with schematics for wireless sets etc. In French: TSF for Télégraphie sans fil.
All listed radios etc. from Rohde & Schwarz, PTE; München
Collections
The model Hochspannungsprüfer is part of the collections of the following members.
Forum contributions about this model: Rohde & Schwarz, PTE: Hochspannungsprüfer UHP
Threads: 1 | Posts: 1
An meinem UHP war die (+)-Buchse gebrochen, habe diese mit FreeCAD neu konstruiert und ausgedruckt. Wer Interesse an der .stl-Datei hat kann sich gerne bei mir melden.
Thomas
Attachments
- Hochspannungsbuchse (158 KB)
Thomas Mettang, 24.Mar.21