- Paese
- Nuova Zelanda-Aotearoa
- Produttore / Marca
- Rolls (brand), Stevens and Sons Limited; Christchurch
- Anno
- 1948 ?
- Categoria
- Radio (o sintonizzatore del dopoguerra WW2)
- Radiomuseum.org ID
- 339931
Clicca sulla miniatura dello schema per richiederlo come documento gratuito.
- Numero di tubi
- 5
- Principio generale
- Supereterodina (in generale); 2 Stadi BF
- N. di circuiti accordati
- 6 Circuiti Mod. Amp. (AM)
- Gamme d'onda
- Solo onde medie (OM).
- Tensioni di funzionamento
- Alimentazione a corrente alternata (CA) / 220-250 Volt
- Altoparlante
- AP magnetodinamico (magnete permanente e bobina mobile) / Ø 8 inch = 20.3 cm
- Materiali
- Mobile in legno
- Radiomuseum.org
- Modello: Rolls RAR - Rolls brand, Stevens and Sons
- Forma
- Soprammobile basso, con andamento orizzontale (grosse dimensioni).
- Dimensioni (LxAxP)
- 20 x 13 x 9 inch / 508 x 330 x 229 mm
- Annotazioni
-
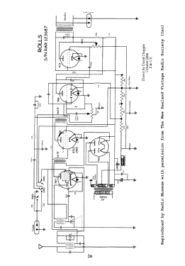
5-Valve superhet broadcast (MW) table model receiver.
Extension speaker connection.
Gramophone pickup connection and switch.
Manufactured by Radio (1936) Ltd for Stevens & Sons Ltd.
- Autore
- Modello inviato da Brian Stevens. Utilizzare "Proponi modifica" per inviare ulteriori dati.
- Altri modelli
-
In questo link sono elencati 21 modelli, di cui 18 con immagini e 20 con schemi.
Elenco delle radio e altri apparecchi della Rolls (brand), Stevens and Sons Limited; Christchurch