Schauinsland S44 alt
SABA; Villingen
- Hersteller / Marke
- SABA; Villingen
- Jahr
- 1954/1955
- Kategorie
- Fernseh-Empfänger/Monitor
- Radiomuseum.org ID
- 19920
-
- Marke: Schwer & Söhne, GmbH
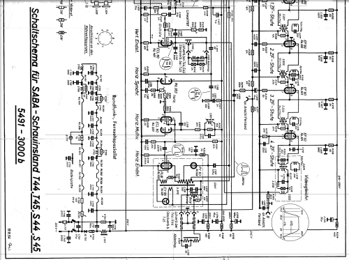
Klicken Sie auf den Schaltplanausschnitt, um diesen kostenlos als Dokument anzufordern.
- Anzahl Röhren
- 18
- Röhren
- PCC84 PCF82 EF80 EF80 EF80 EF80 PL83 EF80 PABC80 PL82 PCF82 ECL80 ECL80 ECL80 PL81 PY83 EY86 MW43-64
- Hauptprinzip
- Superhet allgemein; ZF/IF 38900 kHz
- Wellenbereiche
- Wellen in den Bemerkungen.
- Betriebsart / Volt
- Wechselstromspeisung / 220 Volt
- Lautsprecher
- 3 Lautsprecher
- Material
- Gerät mit Holzgehäuse
Die GFGF Zeitschrift Funkgeschichte bringt interessante Artikel zu Radios, Funkwesen und Medien. Bei Radiomuseum.org finden Sie die vollständigen Hefte früherer Ausgaben als PDF zum Download.
- von Radiomuseum.org
- Modell: Schauinsland S44 [alt] - SABA; Villingen
- Form
- Tischgerät-gross, - Querformat (breiter als hoch oder quadratisch).
- Abmessungen (BHT)
- 560 x 880 x 534 mm / 22 x 34.6 x 21 inch
- Bemerkung
-
10 VHF-Kanäle + 2 Reserve.
Anschluss für Kabelfernbedienung (Regelung von Lautstärke u. Helligkeit);
Anschluss für Zusatz-Lautsprecher.
- Nettogewicht
- 47 kg / 103 lb 8.4 oz (103.524 lb)
- Datenherkunft extern
- Erb
- Datenherkunft
- Rundfunk- und Fernseh-Katalog 1954/55
- Weitere Modelle
-
Hier finden Sie 1652 Modelle, davon 1510 mit Bildern und 1190 mit Schaltbildern.
Alle gelisteten Radios usw. von SABA; Villingen